Люстра опять не подавала признаков жизни, с той лишь разницей, что не было произвольных срабатываний одного из реле.

То есть устанавливают элементы тех каскадов, которые будут настраиваться в текущий момент времени. Настройку лучше проводить на открытом воздухе.

При не подключенном входе на выходе появляются прямоугольные импульсы. Делать это можно подстрочным сердечником, либо конденсатором в контуре.
Частотомер -журнал «Радио» №10 1982г -вторая жизнь прибору

Ну и установил бы современные транзисторы.

Настройка Если вы собрали рацию правильно и из исправных деталей, то вся настройка сведётся к настройке катушки L1 на частоту 27 МГц.

На переднюю панель радиостанции выведена ручка конденсатора С15 для настройки приемника. Лавренко И.

При подаче питания начинает заряжаться конденсатор С4 через R7, удерживая на входах 1,2DD1.

Изменяя его сопротивление можно менять ток протекающий через биполярный транзистор , а соответственно и усиление сигнала. Такой стержень можно купить в любом магазине радиоэлектроники.
Схема радиоприёмника (Транзистор это просто 40)
Как спаять радиостанцию на диапазон 50 мГц своими руками
Через диод D2 напряжение поступает на контроллер U2 и узел начальной установки на транзисторе Q1. Изменяя его сопротивление можно менять ток протекающий через биполярный транзистор , а соответственно и усиление сигнала.

Формируем электроды резистора.

Проследите, чтобы соединительные провода были по возможности короче, а витки катушек и дросселей располагались взаимно перпендикулярно. В зависимости от полученного Uстаб каждой пары стабилитронов падение напряжения на этих резисторах хоть не много, но будет отличаться.

Использование в качестве УВЧ биполярного транзистора, конечно, нельзя считать оптимальным решением.

Кроме того, это устройство OTP предлагает преимущество простых и эффективных обновлений программы с помощью инструментов разработки и программирования. При таком токе через обмотку намагниченность сердечника надежно удерживает контакт реле в замкнутом состоянии при кратковременных провалах напряжения на входе драйвера.

Радиоволны разных частот, наводят в антенне электрические сигналы разных частот и с многих радиостанций. Второй случай более интересен в стационарном режиме работы, при питании от сетевого адаптера.

Для настройки порога срабатывания СПШ необходимо вместо резистора R22 временно установить переменный резистор сопротивлением 27 кОм. Не огорчайтесь, а примитесь за наладку.
Принцип радиосвязи
Отзывы: 11
В схеме приемно-исполнительного узла на РИС.

Автор схемы говорит, что радиус действия однотипных радий на открытой местности — метром. Соблюдайте полярность!

В итоге подстраиваем все контуры передатчика если это необходимо до достижения максимальных показателей используемого прибора и настраиваем контуры УВЧ-приемника L11, С26 и L14, С28 в резонанс. Что же, остается заменить сам стабилизатор.

На торцевой стенке корпуса располагаются переключатель SA2 прием — передача и выключатель питания SA1. Категория: Радиоприемники Для пользования этой радиостанцией не требуется никаких разрешений или согласований Мощность её передатчика не превосходит мощности радиоуправляемой игрушки, а дальность действия не более метров.

Шаг Припаиваем электролитические конденсаторы.
Содержание

Чем больше сопротивление R9, тем больше коэффициент усиления. Установите ручку конденсатора С1 против деления, соответствующего рабочей частоте передатчика, а катушку L волномера расположите в непосредственной близости от катушки L3.
Микроамперметр рассчитан на ток мкА. Считаю, что подключение плюсового вывода конденсатора С6 надо перенести за диод D2 или исключить С6 из схемы. В результате на обмотки реле РА или РВ поступит напряжение. Антенна должна крепиться на изоляторах, и не в коем случае иметь контакт с землей. Схема радиоприемника транзистора, необходимого для усиления звуковой частоты; динамика; катушки индуктивности, необходимой для колебательного контура; переменной емкости для настройки на определенную радиостанцию; резистора или сопротивления, необходимого для выбора рабочей точки транзистора говоря простым языком для того чтобы наш транзистор работал правильно и хорошо и не перегревался антенны; источника питания; Антенна радиоприемника Для антенны отлично подойдет медная проволока длиной порядка 4 метров.
На сайте размещаются только проверенные радиосхемы простых светодиодных эффектов, сигнализаций и блоков питания. Моточные данные катушек индуктивности Катушка. К сожалению, измерить ЭПС конденсатора нечем. Для настройки генератора и антенны передатчика сделайте волномер.
Схемы — Питание цепей управления (кроме радиостанции и АЛСН) на ВЛ80С.
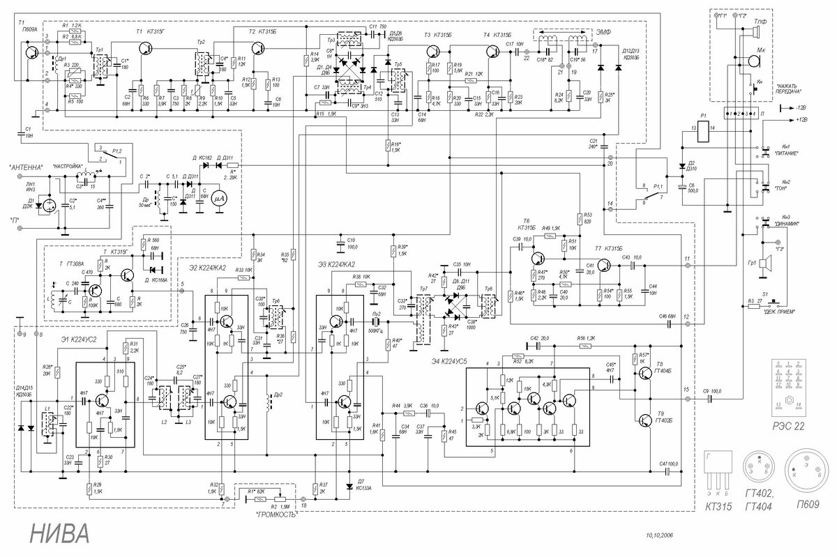
Схема радиостанции
В результате на обмотки реле РА или РВ поступит напряжение.
Конденсатор С1 — подстроечный, с воздушным диэлектриком.
Ключ прочтения прилагается на странице. Если у вас есть фольгированный гетинакс, можно сделать монтаж печатным. Датчиком размыкания выключателя служит делитель напряжения на резисторах R1—R2.
Первый случай годится для портативного применения дальность не более метров. Закончив регулировку приемника, включаем радиостанцию на «передачу».
У такого резисторно-стабилитронного тандема сильно снижается стабилизирующее свойство, поэтому полученный аналог мощного стабилитрона правильнее было бы рассматривать как ограничитель напряжения. По словам владельца при эксплуатации люстры часто меняли перегорающие лампочки. Категория: Радиоприемники Для пользования этой радиостанцией не требуется никаких разрешений или согласований Мощность её передатчика не превосходит мощности радиоуправляемой игрушки, а дальность действия не более метров.
К соответствующим проводам платы, согласно схеме на коробочке, были подключены лампы. Налаживание усилителя низкой частоты сводится к точному подбору резисторов R15 и R
Инструкции и принципиальные схемы радиостанций
Проволока диаметром 0. Последним звеном схемы простейшего радиоприемника является транзистор необходимого для усиления и последующей подачи сигнала на динамик. Единственное, что устарело, так это радио компоненты, которые необходимо заменить на современные аналоги, в результате характеристики радиопереговорного устройства улучшатся. Правильная установка на плату Установка контурной катушки Установка переключателя S1 Шаг 7.
Питается приемный тракт от параметрического стабилизатора на стабилитроне VD1. Питание на микрофон подается через R10, этот же резистор служит и нагрузкой встроенного усилителя микрофона. Поскольку в этом случае работа каскадов усилителя мощности происходит в классе А, то возрастает ток покоя транзисторов. Травление в растворе хлорного железа. Переключатель S2 подает питание на радиостанцию.
КАК СДЕЛАТЬ РАДИО ЖУЧОК НА 400 МЕТРОВ (ПРОСЛУШКА)