

Ремонт ТВ после грозы alpari шасси SCH-PH002-21-001. Схема





Простой Ремонт телевизора Витязь






Ремонт блока питания PHILIPS
Читайте также: Сведения о нормах расхода топливно энергетических ресурсов



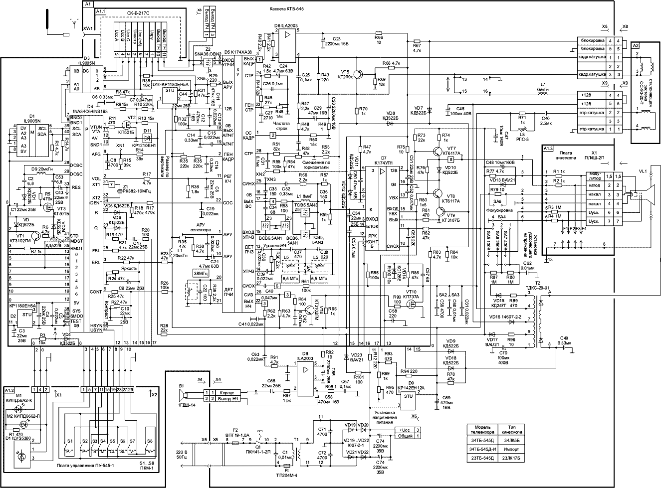
Схемы и сервисные инструкции на телевизоры разных фирм

Схемы материнских плат. Где искать. Чем смотреть.
Читайте дополнительно: Измерение фаза нуль
Основные технические характеристики
Как найти неисправный конденсатор в телевизоре без приборов