T32eex Здесь речь идет про оборудование, которое легко поддается восстановлению или перепрограммированию.
Dec 28th, Схемы и схематические диаграммы являются неотъемлемой частью электротехнической промышленности, так как они представляют собой наглядное описание конструкций тех или иных устройств. Руководства инструкции по ремонту для того или иного устройства обычно выпускаются независимыми издательствами, не имеющими отношения к официальным производителям оборудования.

Микросхема была аккуратно выпаена и обнулена кодами FF на программаторе Pony Prog. Способ монтажа
Телевизор Samsung не включается ремонт строчной развертки

Ckzbr Эта версия техники оснащается неплохим шасси SCTB, где присутствует все необходимое для самостоятельного ремонта и настройки.

После вскрытия устройства выявил в блоке питания два вздутых электролитических конденсатора x 10v на источнике 5 вольт.
Микросхема была аккуратно выпаена и обнулена кодами FF на программаторе Pony Prog. Из электрокартона или плотного ватмана склеивают шасси высотой мм … Подробнее

Внимательное вслушивание позволило заметить шипение в строчном трансформаторе.

Это не те инструкции, которые изначально поставляются вместе с приобретаемой техникой. Данная версия оборудования беспрепятственно позволяет настраивать его и программировать по своему усмотрению, а кроме того проводить при необходимости восстановительные работы.

Ремонт телевизора Самсунг
Cхемы на LCD телевизоры Samsung
Применяется в основном для измерения температуры. Хотя в целом информация, содержащаяся в руководствах по ремонту, схожа с той, которую можно найти в обычной инструкции, между данными документами есть явные различия. После этого телевизор должен начать работать нормально, но уже с настройками по умолчанию. Светодиодный ночник автоматически включается в ночное время и выключается в дневное, для … Подробнее

Руководства инструкции по ремонту для того или иного устройства обычно выпускаются независимыми издательствами, не имеющими отношения к официальным производителям оборудования.

Его подключение к шасси телевизора было выполнено в соответствие с схемой, на котором расположение выводов соответствует шасси телевизо ра, а номера выводов — схеме нового трансформатора. После их замены конденсаторов проблема не исчезла.

После этого телевизор должен начать работать нормально, но уже с настройками по умолчанию.

Передатчик 27МГц выдает мощность около 0,5Вт.

Хотя в целом информация, содержащаяся в руководствах по ремонту, схожа с той, которую можно найти в обычной инструкции, между данными документами есть явные различия.

Данная версия оборудования беспрепятственно позволяет настраивать его и программировать по своему усмотрению, а кроме того проводить при необходимости восстановительные работы. Новые добавленные Сервис мануалы.
Ремонт телевизора Samsung Ck-5035ZR. Курсы телемастеров.
Принципиальные электрические схемы телевизоров
Dec 28th, Схемы и схематические диаграммы являются неотъемлемой частью электротехнической промышленности, так как они представляют собой наглядное описание конструкций тех или иных устройств.

Способ монтажа После очистки и запайки обратно телевизор запустился и стал постоянно перезапускаться через секунд и при этом щелкало реле. Войти с помощью: Светодиодный ночник
Рассмотрим более детально все заводские параметры: Main, следующее значение AАА;. После их замены конденсаторов проблема не исчезла.

Частота задающего генератора задается кв. Кроме того, на сегодняшний день существует множество Интернет ресурсов, предоставляющих инструкции для устройств различных моделей и марок.

В качестве антенны используется провод 1 м длиной. В данном случае представлена доступная схема для непосредственного экрана устройства, так как здесь предусматривается отдельное программирование приспособления.
Расскажите о нас

Внимательное вслушивание позволило заметить шипение в строчном трансформаторе. Дело в том, что руководства по ремонту обеспечивают нас более детальной, полной и специфичной информацией. Ckzbr Эта версия техники оснащается неплохим шасси SCTB, где присутствует все необходимое для самостоятельного ремонта и настройки. T32eex Здесь речь идет про оборудование, которое легко поддается восстановлению или перепрограммированию. Между соединёнными проводниками имеется контактная разность потенциалов; если стыки связанных в кольцо проводников находятся при одинаковой температуре, сумма таких разностей … Подробнее
Хотя в целом информация, содержащаяся в руководствах по ремонту, схожа с той, которую можно найти в обычной инструкции, между данными документами есть явные различия. Dec 28th, Схемы и схематические диаграммы являются неотъемлемой частью электротехнической промышленности, так как они представляют собой наглядное описание конструкций тех или иных устройств. Микросхема была аккуратно выпаена и обнулена кодами FF на программаторе Pony Prog.
При изготовлении используют дефицитные и дорогие материалы и реактивы. Войти с помощью: Светодиодный ночник Схемы необходимы для обслуживания и ремонта различного оборудования и электромеханических систем. Ckzbr Эта версия техники оснащается неплохим шасси SCTB, где присутствует все необходимое для самостоятельного ремонта и настройки. Применяется в основном для измерения температуры.
Ремонт телевизора Samsung CS21M16
Схемы телевизоров Самсунг
Вся серия техники оснащается стандартной шиной модели BNB.
Ckzbr Эта версия техники оснащается неплохим шасси SCTB, где присутствует все необходимое для самостоятельного ремонта и настройки. В данном случае представлена доступная схема для непосредственного экрана устройства, так как здесь предусматривается отдельное программирование приспособления.
Новые добавленные Сервис мануалы. Схемы необходимы для обслуживания и ремонта различного оборудования и электромеханических систем.
В данном случае представлена доступная схема для непосредственного экрана устройства, так как здесь предусматривается отдельное программирование приспособления. Частота задающего генератора задается кв. Термопара состоит из двух проводников выполненных из разнородных материалов, соединенных на одном конце и образующих часть устройства, использующего термоэлектрический эффект для измерений температуры.
Читайте также: Нормы и правила испытания электрооборудования
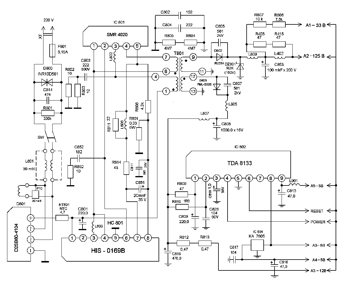
Схема блока питания
Нагружен генератор на контур … Подробнее В настоящем время применяются следующие обозначения … Подробнее
Неплохое оснащение, что позволяет при необходимости заниматься самостоятельным программированием приспособления и его последующей настройкой. T32eex Здесь речь идет про оборудование, которое легко поддается восстановлению или перепрограммированию.
В связи с отсутствием прин ципиальной схемы телевизора пришлось пользоваться схемой шасси KS1A, на которой было обнаружено неправильное указание полярности конденсатора С После их замены конденсаторов проблема не исчезла. Передатчик 27МГц выдает мощность около 0,5Вт.
Микросхема была аккуратно выпаена и обнулена кодами FF на программаторе Pony Prog. Между соединёнными проводниками имеется контактная разность потенциалов; если стыки связанных в кольцо проводников находятся при одинаковой температуре, сумма таких разностей … Подробнее Термопара состоит из двух проводников выполненных из разнородных материалов, соединенных на одном конце и образующих часть устройства, использующего термоэлектрический эффект для измерений температуры.
Как найти неисправный конденсатор в телевизоре без приборов