Измеряйте переменное напряжение между точкой обмотки трансформатора, отнимите 4 вольта и получится постоянное напряжение после моста 2.

А Не желательно производить зарядку батареи самодельным устройством, если она не снята с автомобиля. VD5 диод, который служит для защиты управляющей цепи тринистора от возможного обратного напряжения, которое возникает при включении тринистора VS1.

Транзисторы прозвонить можно любым стрелочным или цифровым мультиметром. Оборудование должна быть выключено, когда происходит соединение с зарядным устройством.
№49 простое зарядное устройство ЗУ — 2М аккумулятор изготовление платы (часть 2)

Схема такого устройства показана на рис.

Зарядный ток, рекомендуемый в инструкции по эксплуатации аккумуляторной батареи, обеспечивает оптимальное протекание электрохимических процессов в ней и нормальную работу в течение длительного времени. Самое простое зарядное устройство- схема
Вариант печатной платы зарядного устройства на рисенке 5, размером 60х75 мм приведен на рисунке ниже: Примечание: Диоды выпрямительного мостика VD5-VD8 необходимо установить на радиаторы.

Выключателями Q1 — Q4 можно подключать различные комбинации конденсаторов и тем самым регулировать ток зарядки.

Это место и потребуется тщательно протереть, чтобы избавиться от всей кислоты.
Нереально просто!!! Регулятор тока для Зарядного Устройства.
Самоделки, хобби, увлечения.
Позже попробую зимний режим. Изменение тока в нагрузке достигается регулированием угла открывания тринистора VS1. Фирмы хорошо зарекомендовали себя на рынке, а потому о надежности и функциональности переживать при покупке не следует. Первые отвращают низкой надежностью, вторые ценой.

Для регулировки зарядного тока можно использовать магазин конденсаторов, включаемых последовательно с первичной сетевой обмоткой трансформатора и выполняющих функцию реактивных сопротивлений, гасящих избыточное напряжение сети. Может ли аккумулятор выйти из строя, если автомобилем не пользуются долгое время стоит в гараже без запуска?

Переменным резистором R4 устанавливают порог срабатывания реле К2, которое должно срабатывать при напряжении на зажимах аккумулятора, равном напряжению полностью заряженной батареи. VD5 диод, который служит для защиты управляющей цепи тринистора от возможного обратного напряжения, которое возникает при включении тринистора VS1.

Внимательно осмотрите плату на наличие трещин и непропаев, омовые резисторы часто бывают в обрыве, на глаз не заметишь, можно прозвонить не выпаивая.

Иначе возможны неприятные последствия.

Когда кислота соприкоснется с содой, то произойдет реакция и автомобилист обязательно ее заметит.

До последнего времени пользовался ЗУ еще советского производства.
ДЕЛАЕМ ПРОСТОЕ ЗАРЯДНОЕ УСТРОЙСТВО ДЛЯ АКБ с авто выключением при полном заряде
Смотрите также: Глубина заложения электрокабеля в земле снип
27 Replies to “простое зарядное устройство ЗУ-2М АКБ схема (часть 1)”
А Автомобилист вышел из транспорта и забыл выключить фары.

Гораздо проще следить за агрегатом, чем после тратиться на составляющие для ремонта.

Ручкой 5 установить требуемый зарядный ток, величина которого должна соответствовать указанной в инструкции на аккумуляторную батарею. Это отличный вариант для обработки всех поверхностей. Когда кислота соприкоснется с содой, то произойдет реакция и автомобилист обязательно ее заметит.

Б Аккумуляторная батарея слишком нагрелась под воздействием солнечных лучей. Амперметр измеряет силу тока которую нужно регулировать для зарядки аккумулятора, в данном устройстве используется РА1 — 10 А.

Цитата: Сообщение от Sergey2 1. Шунт подбираем по образцу амперметра. Удачи в ремонте. Величина напряжения устанавливается автоматически и по мере заряда батареи будет возрастать при неизменной силе тока.
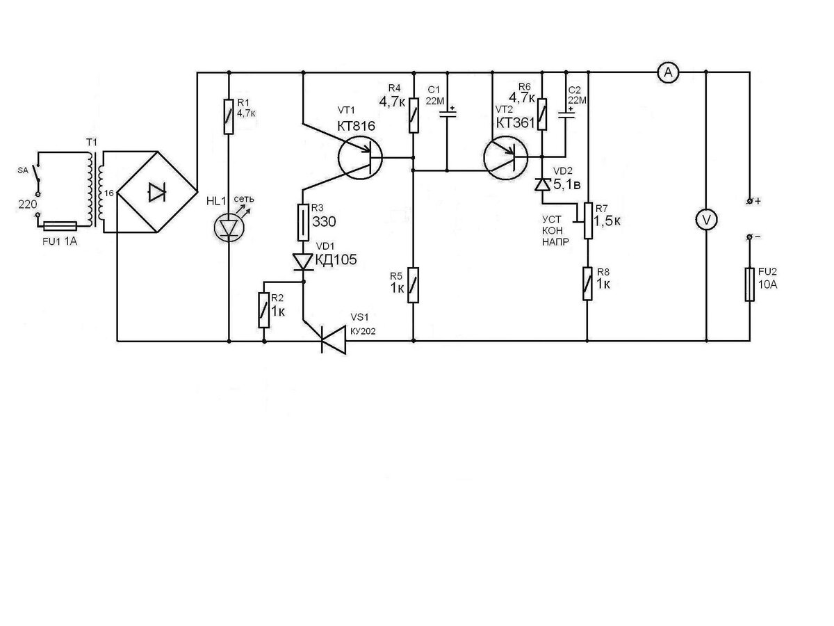
75 комментариев для “Тиристорное импульсное зарядное устройство 10А на КУ202”

Имеется также большое количество схем — их желательно все изучить, чтобы выбрать наиболее подходящий вариант. А Не желательно производить зарядку батареи самодельным устройством, если она не снята с автомобиля. Их сложно установить на аппарате, собранном дома, а потому придется придерживаться нескольких правил при эксплуатации. А Автомобилист вышел из транспорта и забыл выключить фары.
В качестве регуляторов тока применяют проволочные реостаты см. В этом режиме, по заявлению производителя устройство может находиться месяцами. Цитата: Сообщение от Sergey2 1. А Есть только один вариант — сеть с напряжением в вольт. Ручкой 5 установить требуемый зарядный ток, величина которого должна соответствовать указанной в инструкции на аккумуляторную батарею.
Выполняя эти простые правила, получится правильно произвести подпитку АКБ и не допустить неприятных последствий. Максимальный ток заряда аккумулятора 10А , устанавливается амперметром. Шнур питания 9 подключить к сети.
Электрическая схема автомобильного зарядного устройства
Простые самоделки для автомобиля, советы автолюбителю и схемы сделанные своими руками
Его проще изготовить своими руками, из любого другого миллиамперметра. Заряд 12В и 6В аккумуляторных батарей в ручном режиме: 6.
Между катодом и управляющим электродом от 30 до Ом. Зарядный ток, рекомендуемый в инструкции по эксплуатации аккумуляторной батареи, обеспечивает оптимальное протекание электрохимических процессов в ней и нормальную работу в течение длительного времени.
Как избежать 2-х ошибок при зарядке аккумуляторной батареи Необходимо соблюдать основные правила, чтобы правильно подпитать батарею на автомобиле.
Между катодом и управляющим электродом от 30 до Ом. К недостатку этого зарядного устройства следует отнести гальваническую связь с сетью элементов узла регулирования, что необходимо учитывать при разработке конструктивного исполнения например, использовать переменный резистор с пластмассовой осью. Возможно заряжать не отключая АКБ от бортсети, хотя и желательно. Контакты очень хорошо нужно почистить, чтобы ток без трудностей поступал к батарее.
См. также: Как прокладывать кабельную линию в траншее снип
А Для подзарядки применяется напряжение сети в В. Оборудование предназначается для зарядки автомобильных аккумуляторов с напряжением 14,5 Вольт.
Возможно заряжать не отключая АКБ от бортсети, хотя и желательно. Простейший ЗУ-2М, г. Его проще изготовить своими руками, из любого другого миллиамперметра. Уровень определить не составит труда — пластины должны быть полностью покрыты жидкостью.
Кроме того, применение тринистора в цепи первичной обмотки трансформатора позволило несколько улучшить форму кривой зарядного тока и снизить значение коэффициента формы кривой тока что также приводит к повышению КПД зарядного устройства. Транзисторы прозвонил,как как показано всылке,всё нормально,только я их со схемы не выпаивал.
Крышка 12 крепится к корпусу 1 винтом. Б Необязательно снимать АКБ с установленного места. Это место и потребуется тщательно протереть, чтобы избавиться от всей кислоты. Максимальный ток заряда аккумулятора 10А , устанавливается амперметром.
Зарядное для Автомобильных аккумуляторов на советских деталях