

*Металлоискатель Пират своими руками* #1/2 — «Схемы, сборка, замена К157УД2 на аналог»




Металлоискатель Пират Своими руками Часть 1




Металлоискатель «Пират» — Плата управления (Часть 2)
Рекомендуем: Не стоит ремонтировать электрику самоому




Плата металлоискателя Пират с двумя регуляторами
Металлоискатель Пират: электрические схемы, и 2 печатные платы
Новое на сайте
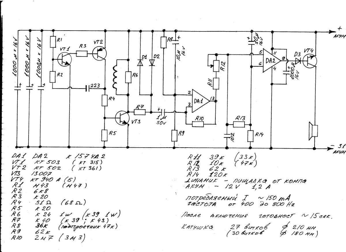
МЕТАЛЛОИСКАТЕЛЬ «ПИРАТ», ПОДРОБНАЯ СХЕМА ПЛАТЫ, ПРОВЕНО МНОЮ, РАБОТАЕТ