
Установка (подключение ) кнопок стеклоподемников типа ВАЗ





Как Подключить Стеклоподъемник Своими Руками. Быстро и Просто.






ВАЗ 2101 Установка электростеклоподъёмников.



![]()

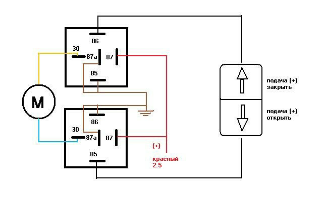
Как подключит реле
Смотрите также: Выключатель хит двухклавишный схема подключения
Установка Доводчика Стекол Своими Руками от Автоэлектрика Сергея Зайцева