В случае изображение выше, мы видим, что сигнал VIN является первым в списке, и в этом случае последовательность уменьшается. Иногда платы называют осмысленными словами : На фото выше плата ноутбука Wistron Columbia.
		
		
			Если процесс подключения внешнего источника прошел в штатном режиме, то чарджер выдает сигнал ACOK 5 , который в дальнейшем используется микроконтроллером.
			
			Ноутбуки Asus — как правило используют свои платы, но часто попадаются на базе Compal.
			Учимся читать схемы
			
			Ниже еще пример другой схемы: Схема подключения также может содержать различную информацию, которая может помочь нам в ремонте платы ноутбука.
			
			Используя эту систему, мы начинаем понимать, как эти сигналы общаются и таким образом, они функционируют. Нижняя линия представляет 0V напряжения, в то время как верхняя линия представляет собой максимальное напряжение из данной схемы.
			
			Ноутбуки Asus — как правило используют свои платы, но часто попадаются на базе Compal. Эту процедуру можно использовать в любой части электрической схемы.
			
			Редкость : Все. С Apple мы и начнем.
			
			Поиск сигналов Чтобы искать сигналы в схеме, еще раз, мы будем рассчитывать на поиск нашей программы PDF reader. Название сигналов и обозначения на схеме Как не странно но названия сигналов уходит далеко в прошлое когда были транзисторы, также происхождение сигналов это слова с английского GND-ground земля, CORE-ядро.
			
			Как определить расположение элемента на плате при помощи Boardview
Схемы ноутбуков.
			На следующей диаграмме ниже на стр. Для того, чтобы определить порядок, в котором эти сигналы идут, просто идентифицировать сигнал VIN, который, как правило, всегда первый сигнал появляется на плате.
			
			Вроде никого не забыл из самых ходовых производителей плат для ноутбуков. Например, проанализировав схему на стр.
			
			Эта схема приведена на стр. Другой важной информацией является название компонента.
			
			Или брать даташит и промерить все сигналы, которые необходимы для функционирования. В схеме мы найдем много точек, где этот сигнал пройдет, но чтобы облегчить поиск на плате выбираем легкодоступное местоположение, как показано на рисунке ниже.
			
			Нам нужно знать, где он создан, определить ответственную схему и проверить, почему оно не появляется.
			
			На следующей диаграмме ниже на стр. Найденный наш первый сигнал присутствует, мы можем искать другие точки, следуя последовательности показанные выше.
			
			То есть, если у нас есть недостающее напряжение на борту, и мы должны найти источник этого напряжения в схеме. Также видим что в схеме присутствует защита от «переполюсовки» 1 : она закроет и не даст открыться PQ и PQ в случае, если по каким-то причинам «перепутаны» минус с плюсом в блоке питания.
			Как читать схему . Часть 7. Power sequence for Desktop.
введите название модели
			Статьи Схемы на ноутбук, платформа ноутбука-что это? Особняком стоит корпорация Apple.
			
			В этом режиме помимо всех прочих, напряжения подаются на процессор и графическое ядро напряжение 1,05, 1.
			
			В схеме мы найдем много точек, где этот сигнал пройдет, но чтобы облегчить поиск на плате выбираем легкодоступное местоположение, как показано на рисунке ниже.
			
			Сигнал VIN сразу перед осциллограммой, показывающей, как ведет себя этот сигнал. В схеме мы найдем много точек, где этот сигнал пройдет, но чтобы облегчить поиск на плате выбираем легкодоступное местоположение, как показано на рисунке ниже. Например, если необходимо проанализировать сетевую схему LAN , мы непосредственно перейдем на страницу  Она начинается в верхней строке, после того, как время, вплоть до нижней линии, остается на этом уровне в течение некоторого времени и снова поднимается к верхней строке.
			
			Таким образом, мы можем определить, где напряжение пропадает, и именно в этом месте мы должны начать анализ. Схемы и даташиты обычно в формате pdf. Обозначения цепей питания проистекают из области анализа схем на транзисторах, где, обычно, рассматривается схема с транзистором и резисторами подключенными к нему. Возможно для кого то будет открытием, но в современный век глобализации и стандартизации очень мало кто из производителей выпускает ноутбук полностью своей разработки, как правило берут готовую платформу, делают дизайн корпуса и в продажу.
			
			В других схемах эта последовательность может быть показана снизу вверх. Свои платы маркируют вот так : K54LY — и есть модель платы. Для того, чтобы определить порядок, в котором эти сигналы идут, просто идентифицировать сигнал VIN, который, как правило, всегда первый сигнал появляется на плате.
Это указывает на то, что конденсатор является необязательным, и будет зависеть от производителя платы, будет установленный или нет. Другого такого вендора я не припомню. Для просмотра лучше использовать бесплатный Acrobat Reader, который в полной мере позволит использовать поиск по схеме. Схемы на ноутбук, платформа ноутбука-что это? ENE определяет, что зарядное устройство подключено и отправляет сигнал подтверждения для включения платы.
			В некоторых схемах, он может иметь другое имя. Еще больше фотографий плат ноутбуков Apple. Схемы на ноутбук, платформа ноутбука-что это? Находясь на этой странице схемы и ища номер 32, мы видим, что 2 сигнала имеют прямую связь с ENE. Итак, что же такое «платформа ноутбука»?
			Как правильно читать электронные схемы или как научиться пользоваться электронными схемами
Отправить комментарий
Из него, мы направляемся к другому, который может быть выше или ниже этого сигнала.
Из него, мы направляемся к другому, который может быть выше или ниже этого сигнала.
Если возникают вопросы, Вы можете задать их в нашей группе ВК Неисправности этой части схемы: 1.
После сигнала VIN, мы видим, что линия напряжение начинается в низких 0v и подключенное зарядное устройство, изменит его значение в верхней строке максимальное значение, которое обычно 19V и остается таким пока зарядка не будет удалена. Нам нужно знать, где он создан, определить ответственную схему и проверить, почему оно не появляется. В этом случае мы откроем схему на стр. Эта схема приведена на стр.
вход в личный кабинет
Обратите внимание, что после прохождения через МОП-транзистор, имя сигнала другое. Итак, у нас уже есть отправная точка, чтобы начать анализ дефекта. С этого момента, можно считать, что вся система запущена.
Это видно из рисунка ниже. Этот обмен информацией между схемами довольно распространен.
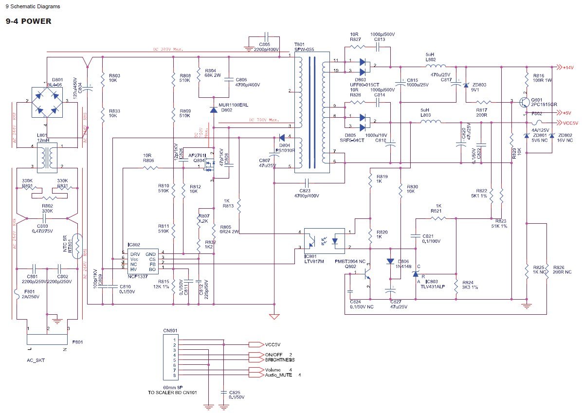
Схема преобразования напряжений
Для того, чтобы определить порядок, в котором эти сигналы идут, просто идентифицировать сигнал VIN, который, как правило, всегда первый сигнал появляется на плате. Сигнал VIN сразу перед осциллограммой, показывающей, как ведет себя этот сигнал. Это состояние называется дежурное.
			Ниже приведен еще один пример изменения имен сигналов или напряжений после прохождения через определенный компонент. Схемы на Pegatron — редкость. Нижняя линия представляет 0V напряжения, в то время как верхняя линия представляет собой максимальное напряжение из данной схемы. Нам нужно знать, где он создан, определить ответственную схему и проверить, почему оно не появляется.
			Как быстро найти схему ноутбука