Стабилизация уровня выходного напряжения осуществляется с помощью оптронной цепи обратной связи PCS.

Управление петлей размагничивания производится посредством переключения реле RLS по команде от системы управления.

Дополнительно к нему в состав узла включены декодирующее устройство сигналов телетекста и энергонезависимая память программ.
Ремонт TV Samsung

При наличии выходных напряжений следует проконтролировать напряжения питания, формируемые стабилизаторами на IC Для определения места неисправности с помощью генератора телевизионных сигналов необходимо его выход ПЧ сигнала соединить с точкой соединения конденсаторов С и С

Вся серия техники оснащается стандартной шиной модели BNB. Особенности шасси KS2A.

Тракт обработки сигналов изображения. Они подключены к входам внутренних АЦП, а цепи кнопок образуют делители рис.

В табл. Ckzbr Эта версия техники оснащается неплохим шасси SCTB, где присутствует все необходимое для самостоятельного ремонта и настройки.

Не стоит удивляться, если Вы столкнетесь с подобным обстоятельством, — эта политика присуща многим разработчикам. Блокировка звука осуществляется путем снижения напряжения опорного уровня около 5,6 В на выв.

Телевизор Samsung шасси KS9A не включается
Телевизоры SAMSUNG на базовом шасси KS1A
Схемы строчной и кадровой разверток. Предлагаемая читателям книга — попытка восполнить приведенные выше пробелы.

Неплохое оснащение, что позволяет при необходимости заниматься самостоятельным программированием приспособления и его последующей настройкой.

В случае наличия напряжений на выходе микросхемы IC необходимо проконтролировать управляющее напряжение на выв.

В качестве антенны используется провод 1 м длиной. В дежурном режиме напряжение на этом выводе 0 В, в рабочем режиме телевизор включен напряжение на этом выводе должно быть около 3,3 В.
Формирование основных сигналов RGB выв. Способ монтажа

Сигнал обратной связи осциллограмма TP13 для стабилизации размера и формирования сигнала защиты кинескопа поступает от выходного каскада КР на выв. В этом случае дополнительно следует проверить исправность внешних элементов узла микроконтроллера микросхемы.

Настройка баланса белого.
Телевизор Samsung не включается ремонт строчной развертки
Смотрите также: Правила укладки кабеля в траншее
Cхемы на LCD телевизоры Samsung
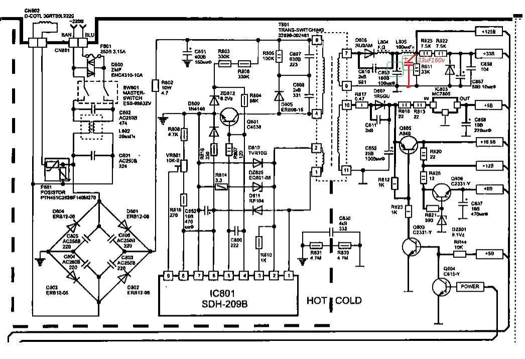
После их замены конденсаторов проблема не исчезла. Принципиальная электрическая схема.
Функциональный состав шасси SCT11В Принципиальная электрическая схема Тракты обработки сигналов изображения и звукового сопровождения. Книга предназначена для широкого круга специалистов, занимающихся ремонтом телевизионной техники, а также для радиолюбителей, интересующихся этой темой.

Контроль высокого напряжения. Способ монтажа

Тракт обработки сигналов изображения. Но даже если необходимая техническая документация и есть у специалиста, в ней не так просто разобраться потому что, во-первых, она, как правило, на английском языке и во-вторых, представлена в очень сжатом виде. Сигналы на этих выводах показаны на осциллограммах TP01 и TP

Микроконтроллер, входящий в состав видеопроцессора ICS, осуществляет управление всеми функциями телевизора. Практическая ценность книги определяется подробным описанием типовых неисправностей и методики их поиска и устранения. Эта новейшая технология разработана компанией Philips. Демодулированный звуковой сигнал выделяется на выв.

Кадровые двухполярные импульсы пилообразной формы снимаются с выв. Применяется в основном для измерения температуры.
Выходной каскад СР Q, Q, TS формирует токи отклонения строчных катушек, напряжения питания видеоусилителей и выходного каскада КР, а также напряжения, определяющие режим работы кинескопа. Ранее уже рассматривалось подобное оснащение, что означает широкое распространение этого номера шасси для телевизоров линейки Samsung. Изображение есть, звука нет Поиск неисправности в случае отсутствия звука при нормальном изображении следует начать с контроля сигнала на выв. Сигнал, пропорциональный току лучей кинескопа и используемый для регулировки уровня темновых токов, подается на выв. После этого телевизор должен начать работать нормально, но уже с настройками по умолчанию.
Тракт обработки сигналов изображения. Порт 0 представлен выв.
Ремонт телевизора Samsung UE40D5000PW Не включается
Расскажите о нас
Импульсы запуска осциллограмма TP09 строчной развертки СР с выв.
При изготовлении используют дефицитные и дорогие материалы и реактивы. Изображения нет, звук есть Поиск неисправности следует начать с контроля сигнала на выв. Компания Samsung была образована в году.
Отсутствие напряжений на выв. Это напряжение 8 В на выв.
Для управления электронными лучами кинескопа видеопроцессор формирует сигналы кадровой развертки и импульсы запуска строчной развертки. Демодулированный звуковой сигнал с выв.
Схемы телевизоров Самсунг
В дежурном режиме напряжение на этом выводе 0 В, в рабочем режиме телевизор включен напряжение на этом выводе должно быть около 3,3 В. Главная практическая ценность книги заключается в перечне типовых неисправностей, их возможных проявлениях и способах устранения. Функциональная схема узла показана на рис. Микроконтроллер, входящий в состав видеопроцессора ICS, осуществляет управление всеми функциями телевизора.
В последнее время цветные телевизоры Samsung с плоским экраном занимают лидирующие позиции на российском рынке. Выходные каскады строчной и кадровой разверток каких-либо схемотехнических особенностей не имеют см. Особенности шасси KS2A.
Принципиальные электрические схемы телевизоров
Демодулированный звуковой сигнал выделяется на выв. По каждому шасси приведены принципиальная схема а по некоторым еще и структурная , подробное описание работы узлов телевизионного приемника, электрические регулировки шасси, которые необходимо выполнить после ремонта, дана методика регулировки в сервисном режиме.
Новые добавленные Сервис мануалы. Главная практическая ценность книги заключается в перечне типовых неисправностей, их возможных проявлениях и способах устранения.
Ремонт телевизора Samsung Ck-5035ZR. Курсы телемастеров.