Принципиальная Схема Транзистора

Поэтому без навыка проверки транзисторов, вам в электронику лучше не соваться.


Думаю после экспериментов с мультиметром будет более понятно.

Такая схема может использоваться в качестве запоминающего устройства в компьютерах, так как схема будет хранить информацию до тех пор, пока её не отменят.
Схемы соединения каскадов (Транзистор это просто 31)

Это может быть как обычный широкополосный трансформатор, так и фильтр с различными входным и выходным сопротивлением. Иначе не будет работать схема.

Другие элементы схемы выполняют вспомогательную роль. Электропроводность эмиттера и коллектора всегда одинаковая р или n , базы — противоположная n или р.

Для питания транзистора в схеме с общей базой может подойти любая из рассмотренных нами схем: схема с фиксированным током базы , схема с фиксированным напряжением на базе , схема с коллекторной стабилизацией или схема с эмиттерной стабилизацией.

По ней можно узнать все параметры элемента. Он же справочный лист или техническая документация.

Схема двухкаскадного усилителя ЗЧ на транзисторах одинаковой структуры.

Как работает транзистор [Veritasium]

Характеристики транзистора, включённого по схеме оэ:

Все дело в том, что здесь есть небольшой нюанс. Транзистор является первым твёрдотельным устройством, способным усиливать, генерировать и преобразовывать электрический сигнал. Работа транзистора при обратном включении p-n перехода Проведем очередной практический опыт и подключим базу транзистора к плюсу БП. Убедились, что по напряжению эта схема нам сигнал не увеличит.

УГО фототранзистора в этом случае вместе с УГО излучателя обычно светодиода заключают в объединяющий их символ корпуса, а знак фотоэффекта — две наклонные стрелки заменяют стрелками, перпендикулярными символу базы.

С развитием электроники приступили к обработке кристаллов кремния, и изобрели кремниевые приборы, практически полностью отправившие на пенсию германиевые транзисторы.

Чтож друзья, а на этом у меня все.

Поэтому плотность компоновки элементов в МОП- интегральных схемах значительно выше. То есть ток эмиттера больше тока коллектора на небольшую величину тока базы.

Тогда название содержит дополнительные символы в конце, или, реже, в начале маркировки. И если последовательно со стабилитроном рис.

Схеме включения транзистора с общей базой соответствует схема усилительного каскада с общим затвором.
ЧИТАЕМ ЭЛЕКТРИЧЕСКИЕ СХЕМЫ С ТРАНЗИСТОРОМ — 3 ЧАСТЬ

Внешний вид и обозначение транзистора на схемах

Если канал имеет электронную проводимость, то транзистор называют n-канальным.

Проводимость p-n перехода существенно возрастет и через коллекторный переход начнет идти ток коллектора Iк. Так уж случилось, но вначале развития полупроводниковой технологии лидирующее место занял биполярный транзистор. Схема включения биполярного транзистора с общим эмиттером.

А рост приводит к росту напряжения на резисторе обратной связи.

Лампочка не светится, давайте разберемся почему. Добавим к нашей схеме всего одну перемычку, которой соединим эмиттер и базу, но лампочка все равно не горит. На символ однопереходного транзистора похоже УГО большой группы транзисторов с p-n-переходом, получивших название полевых.

Тот вывод, который со стрелкой — это всегда эмиттер. Полевой транзистор FR на печатной плате прибора.


А если взять и прикрыть одну любую часть транзисто, то у нас получится полупроводник с одним p-n переходом или диод. Ответ может быть да а может и нет. Нелинейность возникает из-за влияния входного напряжения на напряжение перехода эмиттер-база.

Если канал имеет электронную проводимость, то транзистор называют n-канальным. При отсутствии этого конденсатора в цепи источника входного сигнала создавался бы постоянный ток от источника питания Ек.

Ничего не напоминает? Об электропроводности последней судят по символу эмиттера направлению стрелки. Лампочка горит лишь полсекунды, гаснет, потом снова загорается, и так продолжается до тех пор, пока подключена батарея. Стандарт допускает изображать транзисторы и без символа корпуса, например, при изображении бескорпусных транзисторов или когда на схеме необходимо показать транзисторы, входящие в состав сборки транзисторов или интегральной схемы. Установим вместо перемычки сопротивление Rб номиналом — Ом, и еще один источник питания на 1,5 вольта.
Как найти неисправный транзистор в схеме? Поиск битого транзистора на плате. Ремонт платы.

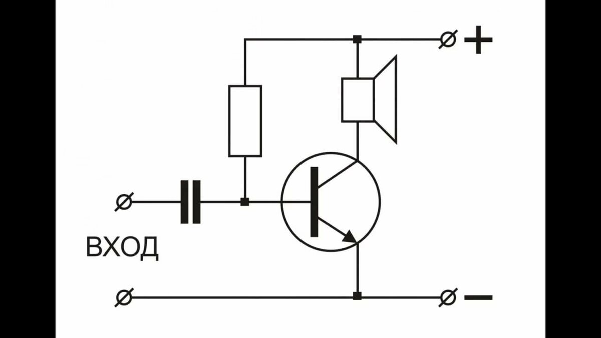
Однокаскадный усилитель ЗЧ

Это может быть полезным для реализации высокочастотных усилителей. И в результате получилась вот такая формула.

Чтобы эксперимент прошёл удачно, надо отрегулировать схему, т. Элементы, представляющие собою полнофункциональные устройства или модули: микросхемы. И свершилось чудо, лампочка засветилась.

Где транзисторы купить?

Это свойство может использоваться для включения и выключения ламп в зависимости от освещённости. Теперь оголённые концы пропустите через промокательную бумагу на расстоянии примерно 1, см, другие концы присоедините к схеме согласно рис. Ну а обо всем по порядку. Конструкция корпуса а , вольт-амперная характеристика и условное графическое обозначение стабилитрона Существенной особенностью стабилитрона является зависимость его напряжения стабилизации от температуры.

Характеристики транзистора, включенного по схеме об

Это объясняется следующими при чинами. Естественно, это приводит к уменьшению коэффициента усиления, поскольку на вход транзистора из-за влияния обратной связи поступит меньшее значение напряжение, чем в отсутствие обратной связи. Такого рода схемы используются в автоматических устройствах фотопечати. В этом режиме напряжение база-эмиттер достаточное для того, чтобы переход база-эмиттер открылся.

В результате в кремнии образуются два p-n перехода. Температурная зависимость вольт-амперной характеристика стабилитрона Для устранения этого недостатка и создания термокомпенсированных стабилитронов последовательно в цепь стабилитрона включают обычные диоды в прямом направлении.

Иначе не будет работать схема. В итоге уменьшится ток эмитте ра, а значит, и ток коллектора — он достигнет первоначального значения. Установим вместо перемычки сопротивление Rб номиналом — Ом, и еще один источник питания на 1,5 вольта. Перемещение движка резистора вверх по схеме приводит к увеличению напряжения больше нормы на нем открывается транзистор VТ1.

Резисторы R1 и R2 образуют схему коллекторной стабилизации режима работы. В случае, когда напряжение к базе не приложено, происходит подтяжка базы к потенциалу земли, что избавляет нас от всяческих наводок. Напряжение на его коллекторе снизится и конденсатор С2 окажется подключенным к базе транзистора VТ2 в такой полярности, что тот закроется.
КАК РАБОТАЕТ ТРАНЗИСТОР — ОБЪЯСНЯЮ НА ПАЛЬЦАХ