При превышении максимально установленного уровня громкости устройство уменьшает ее или совсем выключает звук.

Транзистор VT1 начинает закрываться только при увеличении сигнала ЗЧ, что и происходит во время рекламы, выше установленного подстроечным резистором R2 значения, причем закрывается он отрицательными «полуволнами» сигнала.

На человеке должны быть специальные очки с «жидкокристаллическими стеклами», которые затеняют изображение то одному, то другому глазу с частотой следования телевизионных полей Ремонт антенного гнезда Антенное гнездо сломалось, как это исправить, и как этого избежать в будущем.
Как читать электрические схемы. Урок №6

О телевизорах УСЦТ Унифицированные цветные телевизоры построены с использованием одинакового набора модулей и кинескопов с самосведением лучей. И не забываем, что блоки питания телевизоров чаще всего выходит из строя, и именно в них кроется причина неработоспособности.

Импульсный блок питания ИБП обеспечивает стабильность величин питающих напряжений при изменении напряжения сети в пределах от до В. Аналогово цифровой модуль содержит видео процессор, коммутатор видео сигналов, звуковой процессор, коммутатор синхросигналов, коммутатор сигналов RGB, формирователь строчных и кадровых синхроимпульсов, тюнер и фильтры на ПАВ.

Как подключить антенну к телевизору Для того чтобы исправный телевизор отлично показывал телеканалы, а не только снег или синий фон, необходимо правильно подключить ваш телевизор к антенне или кабельному телевиденью На кинескопе появились цветные пятна.

При превышении максимально установленного уровня громкости устройство уменьшает ее или совсем выключает звук. Сопротивление резистора R1 может быть и меньше.

Например жена смотрит тупой сериал, а мы хотим посмотреть футбол. Затем сигнал промежуточной частоты от тюнера проходит через фильтры на ПАВ, для разделения промежуточной частоты видео и промежуточной частоты звука которые поступают на видео процессор, в котором и происходит преобразование сигнала промежуточной частоты видео в сигналы цветов RGB.

Схемы материнских плат. Где искать. Чем смотреть.
Архивы статей
Дефекты кинескопов CRT телевизоров Некоторые дефекты очень легко устранить, произведя размагничивание кинескопа специальной петлей размагничивания или простым дросселем размагничивания. Их основное применение в блоках строчной развертки для формирования высокого напряжения на аноде кинескопа и вторичных напряжений: питания цепей нитей накала кинескопа, ускоряющего напряжения, питания платы видеоусилителя.

При поступлении команды с пульта дистанционного управления на датчик IR, а далее с датчика IR, детектированного кода команды на вход видеопроцессора, или при поступлении команды с клавиатуры, расположенной на передней панели телевизора на вход видеопроцессора, по шине I2C с видеопроцессора поступает команда о включении.

ЖК телевизор Здесь схема еще больше изменилась, так как в основном используется цифровая обработка сигнала. Скорость нарастания звука при восстановлении можно изменять подбором конденсатора С5.

Мега подборка прошивок Огромная подборка прошивок почти на все модели телевизоров, отсортированные на фирмы и отдельные модели ТВ. Устройство работает в инфракрасном диапазоне.
Как подключить антенну к телевизору Для того чтобы исправный телевизор отлично показывал телеканалы, а не только снег или синий фон, необходимо правильно подключить ваш телевизор к антенне или кабельному телевиденью На кинескопе появились цветные пятна.

Например жена смотрит тупой сериал, а мы хотим посмотреть футбол.

Каскад на транзисторе VT1, представляющий собой одно-полупериодный детектор, отслеживает изменения сигнала, причем в отсутствие рекламы он открыт.
Учимся читать схемы
Еще по теме: Смета на монтаж электропроводки
СХЕМЫ ТЕЛЕВИЗОРОВ, МОНИТОРОВ И ПРОЧЕЙ ЭЛЕКТРОНИКИ,
Принцип работы ИК-приемника в устройствах телевизионной и бытовой техники В телевизионной, бытовой, медицинской техники и другой аппаратуре широкое распространение получили ИК-приемники инфракрасного излучения.

Если же он не мигает, то значит пульт неисправен. Звуковой сигнал ПЧ поступает на вход звукового процессора, а уже с его выходов сигнал звука правого и левого каналов поступает на входы УНЧ. Советы по ремонту телевизоров Практическая подборка советов по ремонту телевизионной техники для начинающего ремонтника.
А вы знаете как просто проверить пульт? На человеке должны быть специальные очки с «жидкокристаллическими стеклами», которые затеняют изображение то одному, то другому глазу с частотой следования телевизионных полей Ремонт антенного гнезда Антенное гнездо сломалось, как это исправить, и как этого избежать в будущем. Скорость нарастания звука при восстановлении можно изменять подбором конденсатора С5.

На принципиальной схеме для разделения на функциональные блоки применяется позиционные обозначения элементов конденсаторов, резисторов и так далее. В авторском варианте оно встроено в четырехканальный усилитель 3Ч, подсоединенный к линейному выходу. Как подключить антенну к телевизору Для того чтобы исправный телевизор отлично показывал телеканалы, а не только снег или синий фон, необходимо правильно подключить ваш телевизор к антенне или кабельному телевиденью На кинескопе появились цветные пятна.

В случае, когда некоторую рекламу хочется все же послушать, можно предусмотреть кнопку с фиксацией для восстановления громкости. При поступлении команды с пульта дистанционного управления на датчик IR, а далее с датчика IR, детектированного кода команды на вход видеопроцессора, или при поступлении команды с клавиатуры, расположенной на передней панели телевизора на вход видеопроцессора, по шине I2C с видеопроцессора поступает команда о включении. Отсутствие в них блоков сведения позволило обеспечить потребляемую мощность В авторском варианте оно встроено в четырехканальный усилитель 3Ч, подсоединенный к линейному выходу.
Новое на сайте

Причем сразу менять их на новые не советую. Например COFDM — обработка данных с ортогональным частотным разделением каналов с кодированием, широко использующееся в телевидении. После формирователей синхроимпульсы поступают на коммутатор.
После включения на блок поступает сигнал 3Ч. На экране смарта мы увидим как светодиод мигает.
Ее обеспечивает схема инвертора подсветки или LED драйвера. Если емкость конденсатора С5 выбрать меньше 0,01 мкФ, то при восстановлении звука слышен характерный негромкий щелчок.
Лед Драйвер Телевизора Схема
Информация по моделям телевизоров LCD
При превышении максимально установленного уровня громкости устройство уменьшает ее или совсем выключает звук.
При превышении максимально установленного уровня громкости устройство уменьшает ее или совсем выключает звук. Здесь представлен сборник нескольких десятков схем телевизоров с ЖКИ от всех основных производителей.
Их основное применение в блоках строчной развертки для формирования высокого напряжения на аноде кинескопа и вторичных напряжений: питания цепей нитей накала кинескопа, ускоряющего напряжения, питания платы видеоусилителя. В случае, когда некоторую рекламу хочется все же послушать, можно предусмотреть кнопку с фиксацией для восстановления громкости. Структурная схема ЖК телевизора Нечто подобное будет и на структурной схеме плазменного телевизора.
Затем сигнал промежуточной частоты от тюнера проходит через фильтры на ПАВ, для разделения промежуточной частоты видео и промежуточной частоты звука которые поступают на видео процессор, в котором и происходит преобразование сигнала промежуточной частоты видео в сигналы цветов RGB. Подключение рассматриваемого блока очень простое: в разрыв цепи подачи сигнала 3Ч на регулятор громкости. Добавив в конструкцию амплитудную модуляцию, можно легко реализовать простой вариант беспроводных наушников своими руками. О неисправности позистора в схемах размагничивания кинескопа, иногда он также является причиной постоянного перегорания предохранителя.
Рекомендуем: Измеритель петли фаза ноль
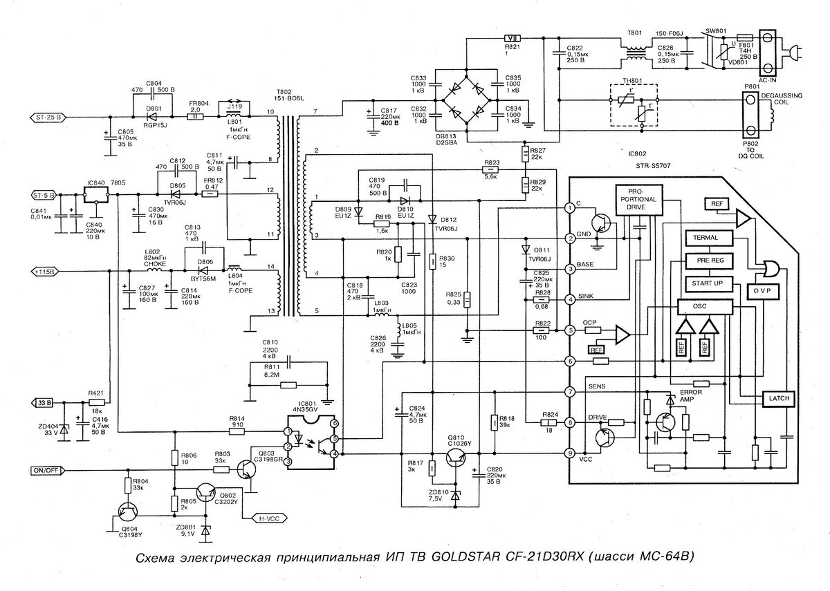
Схемы и сервисные инструкции на телевизоры разных фирм
На принципиальной схеме для разделения на функциональные блоки применяется позиционные обозначения элементов конденсаторов, резисторов и так далее. Сопротивление резистора R1 может быть и меньше. Аналогово цифровой модуль содержит видео процессор, коммутатор видео сигналов, звуковой процессор, коммутатор синхросигналов, коммутатор сигналов RGB, формирователь строчных и кадровых синхроимпульсов, тюнер и фильтры на ПАВ. Ее подключают параллельно резистору R10 с последовательно включенным ограничительным резистором сопротивлением 1 кОм.
Дефекты кинескопов CRT телевизоров Некоторые дефекты очень легко устранить, произведя размагничивание кинескопа специальной петлей размагничивания или простым дросселем размагничивания. Если уровень звука зависит и от принимаемого канала, рекомендуется вместо R2 установить переключатель с подобранными резисторами для каждого канала. В авторском варианте после пиковой громкости звука блок удерживает его пониженным еще 20 с, а нарастание происходит в течение 1 с. Поэтому рассмотрим достаточно простые способы подсоединения к ПК, но в первую очередь необходимо проверить наличие необходимых интерфейсов на ноутбуке и телевизоре.
Схемы и сервисные инструкции на телевизоры разных фирм
В почти каждом архиве несколько вариантов схем к разным моделям телевизоров. Простое устройство для вырезания рекламы В подавляющем большинстве случаев, реклама на телеканалах транслируется с более высоким уровнем громкости, чем другие программы, на этом и основан принцип устройства. Рассмотрим способы как это устранить. Если красный, зеленый или синий субпиксель закрыт — формируется определённый цвет. Устройство отслеживает уровень сигнала звукового сопровождения телевизионного изображения.
После формирователей синхроимпульсы поступают на коммутатор. Что делать? При поступлении команды с пульта дистанционного управления на датчик IR, а далее с датчика IR, детектированного кода команды на вход видеопроцессора, или при поступлении команды с клавиатуры, расположенной на передней панели телевизора на вход видеопроцессора, по шине I2C с видеопроцессора поступает команда о включении. ОЗУ — оперативная память, участвует в обработке данных при работе ТВ.
Ремонт телевизора «Samsung LE 19A650A1».