Запускают ее путем нажатия на кнопку SB3.

Бытовые счетчики ее не учитывают, поэтому платить за нее не придется. При этом блокировка может быть как механической, так и посредством блокировочных контактов.

Однако, эту задачу можно упростить, если сделать несколько допущений. Когда оно достигнет напряжения открывания транзистора VТ1 вспыхнет светодиод HL1 Если продолжать перемещать движок.
Центральный замок. Подключение центрального замка.

А это уже не так опасно. При работе какого то станка, например распиловочного, пропало напряжение в сети.

Включение однофазных асинхронных моторов через пускатель очень простое, достаточно правильно выполнить соединение контактов с пускателем и сетевым кабелем по приведенной схеме.

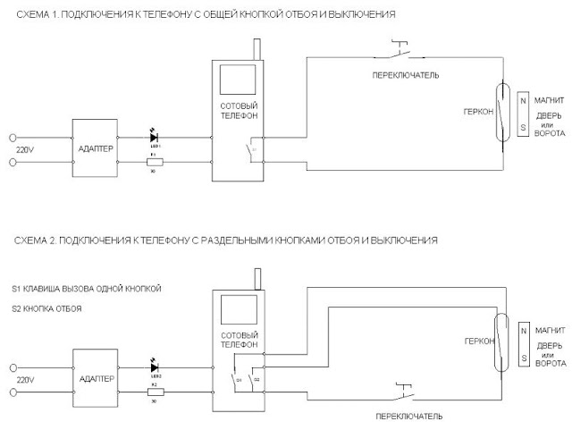
Проверить работу усилителя несложно, нужно коснуться входного гнезда Х1 например, пинцетом в телефоне должно прослушиваться слабое жужжание, как результат наводки пере менного тока.
В силовую часть входит: трех полюсный автоматический выключатель QF1, три пары силовых контактов магнитного пускателя 1LT1, 3LT2, 5LT3 и трехфазный асинхронный электродвигатель М. Как адаптировать под 12В напряжения бортовой сети?

На контакты NO13, NO14 ставят перемычку между замкнутым и разомкнутым контактами Силовая цепь имеет отличия, но не очень существенные. Фаза А через КМ1.

Как подключить выключатель света и подключить розетку
9 комментариев
Устройство будет работать надежно, если местом его установки будет поверхность прямая, плоская и расположенная вертикально. Ток в нем проходит к мотору последовательно, попутно нагревая реле. В результате двигатель М изменит направление вращения. Также у каждого крупного бытового прибора должна быть индивидуальная розетка.

Основным условием подключения одноклавишного выключателя света является внимательность, поскольку даже при наличии всего двух проводов, довольно часто встречаются ситуации, когда человек путает жилы. Но практики оперируют только пусковой и рабочей обмотками.

Туда где только одно отверстие подсоединяется фаза входа, а туда, где два отверстия — фаза выхода, направляющаяся к светильнику.
Расчет емкости сглаживающего конденсатора Допустим, мы хотим получить коэфф. Далее схема работает по алгоритму, зависящему от направления вращения мотора.
Кнопки для управления электродвигателем входят в состав кнопочных постов, кнопочные посты могут быть однокнопочные, двухкнопочные, трехкнопочные и т. Замкнутые на кругах стержни входят в пазы сердечника, где при индукции тока создается поле уравновешивающее электромагнитное поле катушки.

Однако, эту задачу можно упростить, если сделать несколько допущений.

Тип напряжения не имеет значения, главное, чтобы номинал не выходил за пределы В. При отсутствии базовых навыков в электрике, стоит отказаться даже от самостоятельной установки выключателей, содержащих одну клавишу.
Подключение доп.фар через реле
Особенности разводки проводов
Сорри, сорри Кто не в ладах с математикой, заранее посчитанные значения можно взять из таблицы ниже.

По этой причине их нельзя размещать в местах, подверженных нагреву. От потолка делается отступ минимум 20 см. Этапы самостоятельного монтажа проводки Монтажные работы начинаются с разметки стен.

Работа силовой схемы Ответственность за переключение фаз для перенаправления вращения двигателя возложена на силовую схему. Двухтактный усилитель мощности ЗЧ на транзисторах. Например, при работе за станком может показаться, что фреза неподвижна, а на самом деле она вращается с бешенной скоростью и только и ждет, чтобы вы сунули туда пальцы.

Первая помогает рассчитать количество приборов, потребляемых ток, выбрав допустимый вариант подключения. Вторая фактически является отображением электрической схемы на практике. Асинхронные двигатели обладают невысоким стартовым моментом вращения, поэтому для запуска приходится прибегать к подключению по схеме дополнительных устройств в виде реле пускателя, балластного сопротивления или мощных конденсаторов. Когда на магнитный пускатель поступает питание, через катушку проходит ток и формирует электромагнитное поле.

Поэтому при выборе схемы подключения необходимо узнать из справочника тип и мощность, прозвонить мультиметром проводку относительно корпуса и между выводами на жгуте. Реверсивный пускатель должен иметь механическую защиту от одновременного включения двух его половин. Однокаскадный усилитель ЗЧ Это простейшая конструкция, которая позволяет продемонстрировать усилительные способности транзистора Правда, коэффициент усиления по напряжению невелик — он не превышает 6, поэтому сфера применения такого устройства ограничена. Причем, для того, чтобы получить удар током, не нужно лезть в недра схемы, достаточно просто прикоснуться к обоим контактам штепсельной вилки.

Входное напряжение должно быть не более 2 мВ. Как быть с пульсациями? Кратковременным подключением пускового конденсатора на валу двигателя создается мощный стартовый вращающий момент, время запуска сокращается в разы. Контакты Схемы подключения магнитного пускателя Подключения магнитного пускателя и малогабаритных его вариантов, для опытных электриков не представляет никакой сложности, но для новичков может оказаться задачей над которой пройдется задуматься. Конденсаторы могут быть установлены по схеме подключения к статорной обмотке, для обеспечения пуска электродвигателя, или в качестве рабочего устройства, подсоединенного к основной обмотке.
Усилитель потребляет ток около 8 мА. Можно также снабдить самодельный инструмент дополнительной стартовой обмоткой или частотным преобразователем, который обеспечит плавный запуск мотора. Достаточно просто подключить однофазный асинхронный электромотор с помощью балластного сопротивления и пускателя, как на схеме. Вообще говоря, для светодиодов, выполняющих индикаторную функцию, величина пульсаций не очень-то и важна. С его помощью включают и отключают питание.
Как адаптировать под 12В напряжения бортовой сети? Но так-как пятого контакта, в большинства магнитных пускателей нет, можно поставить дополнительный контакт.
Схема подключения генератора для дома на 2 пускателях.
Как быть с пульсациями?
Зачастую возникает проблема в определении, какие выводы относятся к обмоткам электродвигателя.
Выключение выполняется через обесточивание схемы.
Для одного киловатта мощности необходим рабочий конденсатор емкостью в 70 мкФ и пусковой в 25 мкФ. Она как бы есть, но ее как бы и нет. Управление реверсом двигателя Вращение начинается при задействовании клавиши SB2.
Они могут быть изготовлены по схеме с разделением на четыре вывода или на три вывода. Существует два стандарта высоты для выключателей — см и см от пола.
Схема монтажа электропроводки в частном доме своими руками
В случае необходимости такие электродвигатели могут также подключаться с помощью переходных конденсаторов к однофазной сети. Этапы самостоятельного монтажа проводки Монтажные работы начинаются с разметки стен. Именно таков уровень мерцания ламп накаливания средней мощности, а ведь на них никто и никогда не жаловался.
Вводная фаза изначально движется к устройству для выключения света, после чего снова возвращается в коробку распределения, а уже затем соединяется с фазой от лампочки. Чтобы соединить ее основные элементы используют 3-жильный кабель и два разомкнутых контакта в случае, если устройство выключено. Собрал усилок на микросхеме,а резистор незнаю как подключить,что бы звук регулировать резистор В Колян чем можно заменить конденсаторы 0. Для защиты от перегрузки двигателя, когда ток возрастает выше установленного например пропадания фазы — контакты теплового реле RT1 размыкаются, и цепь питания катушки электромагнитного пускателя разрывается.
Нельзя подключать электродвигатель, не зная точно его марку, какие из выводов жгута проводов корпуса соответствуют обмоткам прибора, и на какое напряжение он рассчитан. Схемы подключения магнитного пускателя Стандартная схема. Типовые схемы подключения электродвигателя Наиболее простым в подключении является коллекторный двигатель со щеточным возбуждением магнитного поля ротора. Можно также снабдить самодельный инструмент дополнительной стартовой обмоткой или частотным преобразователем, который обеспечит плавный запуск мотора. Также у каждого крупного бытового прибора должна быть индивидуальная розетка.
Далее, МП посредством контактов КМ2 поменяет фазы местами. Игорь Схемы подключения магнитного пускателя Стандартная схема.
Подключение теплого пола к системе отопления. 4 способа подключения.