

Ремонт драйвера светодиодной LED лампы




КАК УЗНАТЬ ПАРАМЕТРЫ ЛЮБОГО СВЕТОДИОДА





Ремонт электронного балласта




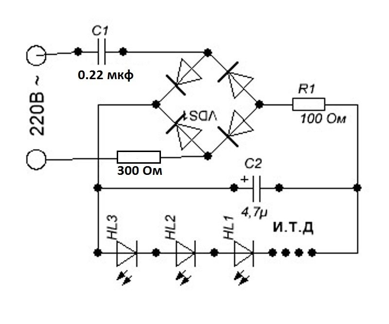
Самая простая схема драйвера светодиодной лампы The most simple driver circuit LED lamps
Смотрите также: Свидетельство о регистрации лаборатории
Ремонт самодельной светодиодной лампы на гасящем конденсаторе.