По паспортным данным зарядное напряжение батареи аккумуляторов в резервном режиме составляет 13,

После его замены всё встало на свои места.

Умань, Черкасская обл.
Блок Бесперебойного Питания ББП-100!

Опыт эксплуатации аккумуляторных батарей показал, что оптимальным зарядным током является ток, достаточный для подзарядки.

На обоих светодиод СЕТЬ мигает красным.

На выходе ноль.

Сегодня забрал парочку лотов с али. Толщина терминала 1 мм, болтик М4 с гровером с шайбой длина резьбы 5 мм , шайба с гровером на болтике сидят мертво, запрессованы.

Возможность широко регулировать выходное напряжение от Для увеличения нагрузочной способности стабилизатора служит эмит-терный повторитель на транзисторе VT1.

ББП-20М Блок питания 12В 2А
Блок бесперебойного питания
Включается стабилизатор зарядного тока на транзисторе VT2. Этот импульс, пройдя через элементы DD1. Пороги срабатывания автоматики устанавливают подстроечными резисторами R10 и R13 нижний и верхний порог соответственно.

А ШИМ и транзистор пришлось заказать.

По паспортным данным зарядное напряжение батареи аккумуляторов в резервном режиме составляет 13, После его замены всё встало на свои места.

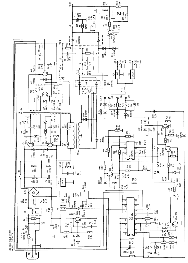
ББП обеспечивает два режима работы: основной, когда питание нагрузки осуществляется от электросети напряжением В переменного тока, и аварийный, когда в отсутствии сетевого напряжения нагрузка питается от резервной аккумуляторной батареи номинальным напряжением 12 В.

В этом случае компаратор срабатывает по нижнему порогу, на выходе ОУ DA2.

Надо спасать погорельца, а это не так просто, несколько резисторов оставили о себе только темный след.

При этом транзисторы должны быть заперты, а реле К2 обесточено. В схеме см.
Замеряем напряжение ACCORDTEC ББП-20
Описание ББП-80ТР (исп. 1)
Откроется транзистор VT4, сработает реле К2 и своими контактами К2. Если она заряжена, процесс зарядки прекратится быстро, как только напряжение достигнет 14 В.

Этот импульс, пройдя через элементы DD1. Соединения между элементами и площадками выполнены проводниками. Ох уж эти грозы, каждый год ущерб.
На самом корпусе колодки нет дополнительных фиксаторов, так что, тем кто часто достает шнур, колодка долго не протянет, ушки обломаются. Пороги срабатывания автоматики устанавливают подстроечными резисторами R10 и R13 нижний и верхний порог соответственно.

Затем устанавливают ток зарядного устройства подбором резистора R2. Вместо аккумуляторной батареи присоединяют стабилизированный источник постоянного тока с регулируемым выходным напряжением, которое устанавливают по вольтметру, равным 14,5 В. Щелчок… и всё вредный ББП, о котором я писал раньше приказал долго жить.

Триммер Р1 устанавливают в нижнее по схеме положение, а триммер Р2 — верхнее по схеме положение. Сегодня забрал парочку лотов с али. Для увеличения нагрузочной способности стабилизатора служит эмит-терный повторитель на транзисторе VT1. Крокодилы 2 шт.

ББП обеспечивает два режима работы: основной, когда питание нагрузки осуществляется от электросети напряжением В переменного тока, и аварийный, когда в отсутствии сетевого напряжения нагрузка питается от резервной аккумуляторной батареи номинальным напряжением 12 В. В видео название микросхемы указано ошибочно. На резисторе R8 и стабилитроне VD9 собран источник образцового напряжения для компараторов. Реле К2 — импортное малогабаритное на напряжение 12 В и ток срабатывания 30 мА. Вместо аккумуляторной батареи присоединяют стабилизированный источник постоянного тока с регулируемым выходным напряжением, которое устанавливают по вольтметру, равным 14,5 В.
Транзистор VT4 закрывается, и контакты реле К2. При прохождении тока через светодиод HL1 на нем падает напряжение, которое используется как образцовое. На основании вышеизложенного были выбраны пороги срабатывания автоматики управления: верхний порог отключения зарядки — 14 В зарядное напряжение 13,8 В плюс потери напряжения в подводящих проводах и контактах от выводов батареи и нижний порог аварийного отключения аккумуляторной батареи для предотвращения глубокой разрядки — 11 В. Пороги срабатывания автоматики устанавливают подстроечными резисторами R10 и R13 нижний и верхний порог соответственно.
После его замены всё встало на свои места. Если пропадет напряжение в электросети, контакты реле К1. Транзистор VT4 закрывается, и контакты реле К2. Светящийся светодиод HL1 желтого цвета служит одновременно индикатором процесса зарядки.
Блок питания ББП-30 Accordtec обзор. Купить в Красноярске
Блок бесперебойного питания ББП-80 БК
В качестве резервного питания в ББП использовались различные варианты как отечественных, так и импортных кислотных аккумуляторных батарей.
На основании вышеизложенного были выбраны пороги срабатывания автоматики управления: верхний порог отключения зарядки — 14 В зарядное напряжение 13,8 В плюс потери напряжения в подводящих проводах и контактах от выводов батареи и нижний порог аварийного отключения аккумуляторной батареи для предотвращения глубокой разрядки — 11 В.
Ох уж эти грозы, каждый год ущерб. На основании вышеизложенного были выбраны пороги срабатывания автоматики управления: верхний порог отключения зарядки — 14 В зарядное напряжение 13,8 В плюс потери напряжения в подводящих проводах и контактах от выводов батареи и нижний порог аварийного отключения аккумуляторной батареи для предотвращения глубокой разрядки — 11 В. Светодиод HL3 красного цвета сигнализирует о переходе на аварийный режим питания от батареи аккумуляторов.
Реле К2 — импортное малогабаритное на напряжение 12 В и ток срабатывания 30 мА. Транзистор VT3 откроется, и начнется процесс зарядки аккумуляторной батареи до достижения часового цикла.
Политика конфиденциальности
Устройство каждые 12 ч автоматически включает зарядку батареи. Фольгированный слой тонким резаком поделен на изолированные площадки 5×5 мм для монтажа радиоэлементов размеры площадок для микросхем — 2,5×5 мм.
В качестве резервного питания в ББП использовались различные варианты как отечественных, так и импортных кислотных аккумуляторных батарей. Положительный перепад напряжения поступит на дифференцирующую цепь C7R17, и на выходе элемента DD1. На кончиках имеется насечки, они скорее для формальности, но лучше что-то чем ничего. На основании вышеизложенного были выбраны пороги срабатывания автоматики управления: верхний порог отключения зарядки — 14 В зарядное напряжение 13,8 В плюс потери напряжения в подводящих проводах и контактах от выводов батареи и нижний порог аварийного отключения аккумуляторной батареи для предотвращения глубокой разрядки — 11 В.
Настройку порогов срабатывания компараторов удобно производить с помощью цифрового мультиметра и осциллографа. В таких случаях используют блоки бесперебойного питания. Затем на источнике питания выставляют напряжение 12,6 В и медленным вращением оси триммера Р1 добиваются отпускания реле. Аналогично, установив напряжение внешнего источника равным 11 В соответствует нижнему порогу срабатывания компаратора , добиваемся низкого уровня на выходе ОУ DA2.
Такой режим позволяет держать батарею заряженной постоянно. В к обмоткам la и I6 повышающего трансформатора Т2. При включении, блок питания просто не запускался, управляющий импульс просто не доходил до транзистора.
Схема электроснабжения с ИБП, стабилизатором и генератором