Для подключения коллекторного двигателя следует последовательно соединить статор и якорь. Но победили трехфазные сети, для которых были разработаны трехфазные электродвигатели.
В моторах с низкой мощностью, пусковая фаза замкнута накоротко.
Обычно даже на старых моделях можно разобрать способ соединения обмоток и напряжение сети, на которые они созданы. Жизненный пример: допустим, нужно подключить на вольт электрочайник.
Как переделать электродвигатель из «ЗВЕЗДЫ» в «ТРЕУГОЛЬНИК»

Механическая характеристика и саморегулирование двигателя. Пожалуй, самый сложный случай — когда двигатель имеет соединение обмоток по схеме «звезда», и нет возможности переключить ее на «треугольник» в распределительную коробку выведено всего лишь три провода — начала обмоток С1, С2, С3 см.
![]()
Определение начал и концов обмоток.
К сожалению, этого нельзя сказать о мощности, потери которой достигают значительных величин. Как известно из той же школьной физики, катушка с током создает магнитное поле.
У нас получился синхронный электродвигатель.
Таким образом и происходит вращение.
Подключение трехфазного двигателя по схеме звезды и треугольника
Двухфазный синхронный электродвигатель
Процедуру повторяют для третьей обмотки. Она состоит из двух половин, соединенных последовательно.
Откуда взять токи, сдвинутые по фазе для питания обмоток? Можно даже отметить, что цилиндр на роторе является, по сути, короткозамкнутой обмоткой.
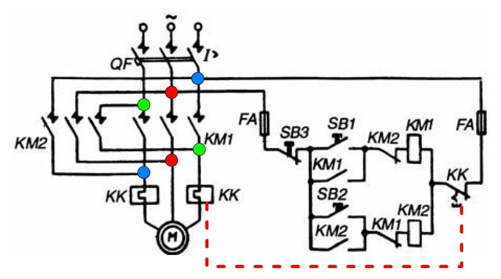
Пуск двигателя в ход.
Но при отличии режима от номинального, например, при пуске баланс обмоток нарушается.
Последнее пропорционально величине тока, а полярность зависит от направления тока в катушке. Знать, для какой цели предназначены обмотки, а также уметь по схеме подключения электродвигателя осуществить монтаж.
Поэтому если нет должной квалификацией, возможно, не останется ничего иного, как подключить трехфазный двигатель по схеме «звезда», смирившись со значительной потерей мощности.
Этот контакт и используют для пусковой цепочки.
Как подключить асинхронный двигатель к 220 вольт
Конструкция электродвигателей и подключение
Благодаря этому увеличивается вращающий момент двигателя. Общее отключение напряжения производят нажатием на кнопку Стоп.
К цепи необходимо подключить фазовращающий элемент. Все соединения надежно изолируют, крепят провода прочной нитью к обмотке и выводят концы на клеммный щиток электродвигателя. В этом случае остается или смириться с большой потерей мощности, подключив двигатель по схеме «звезда», или, проникнув в обмотку электродвигателя, попытаться вывести недостающие концы, чтобы соединить обмотки по схеме «треугольник».
Дело обстоит сложнее, если в распределительную коробку выведено 6 проводов без указания об их принадлежности к определенной обмотке и обозначения начал и концов. Вручную не контролируют. Это означает, что подключить его можно в бытовую розетку.
Старт выполняется за счет щеток, в дальнейшем из работы выключаются. Определение начал и концов обмоток.
В итоге всех манипуляций должно получиться следующее: при разрыве контактов батарейки с любой из обмоток на 2-х других должен появляться электрический потенциал одной и той же полярности стрелка прибора качается в одну сторону. Представляет собой асинхронный электромотор , на неподвижной составляющей которого имеется одна рабочая обмотка, подключаемая к источнику однофазного переменного тока.
Каталог реле и аппаратуры
Асинхронные двигатели обладают плохой приспособленностью к смене скоростей. Если двигатель конденсаторный бифилярный , цепь с конденсатором работает постоянно. С точки зрения потребителя момент является главным. Определение пар проводов относящихся к одной обмотке Вторая задача определение начала и конца обмоток несколько сложнее и требует наличия батарейки и стрелочного вольтметра.
Это происходит автоматически — без вмешательства пользователя. Но мы знаем из той же школьной физики, что ток в катушке можно создать переменным магнитным полем. В нём происходит возбуждение магнитного поля, отталкивающее его полюсы от статора. В процессе работы двигателя под нагрузкой следует проверить соотношения токов в обмотках замерами и провести корректировку рабочих конденсаторов применительно к усредненным нагрузкам привода. При прямом включении обмоток статора асинхронного двигателя с короткозамкнутым ротором в сеть наблюдается большой скачок тока, в раз превышающий его номинальный ток.
Последняя имеет меньший размер и является пусковой. Именно в этом причина популярности двигателя среди населения.
подключение двигателя 380 на 220 вольт
Принцип действия
При включении двигателя в однофазную сеть, вращающий момент, способный сдвинуть ротор, не создается.
При питании ОВ генератора от постоянного источника возникает ток возбуждения IВ, создающий основное магнитное поле машины Ф.
Автор: Admin Просмотров: Как подключить трех фазный двигатель в сеть переменного тока напряжением в В — спросите вы. Уметь работать со вспомогательными устройствами — балластными сопротивлениями или пусковыми конденсаторами. Определение полярности обмоток Для нахождения одинакового расположенных концов рекомендуется воспользоваться одним из двух способов: 1.
Токи, протекающие в них, превышают значения для цепей звезды. Запрещается включать электрический двигатель, если не знаете его модель, а также назначение выводов. Теперь, если разорвать контакт проводов А с батарейкой, стрелка вольтметра качнется в ту или иную сторону.
Как проверить схему подключения обмоток электродвигателя Начнем с плохого варианта выполнения монтажа статорных обмоток, когда их концы на заводе не обозначены, а сборка нуля для схемы звезды выполнена внутри корпуса и выведена одной общей жилой. Внутри создается вращающееся движущееся поле, за счет которого движется вал. Производится к сети подключение электродвигателей «треугольником» или «звездой». Кроме того, сдвиг фаз может быть получен путем использования пусковой фазы с большим значением сопротивления и меньшей индуктивностью.
На крышке двигателя имеются выводы которые обозначаються как C1-C6. Определение пар проводов относящихся к одной обмотке Вторая задача определение начала и конца обмоток несколько сложнее и требует наличия батарейки и стрелочного вольтметра. Но у нас магнит — это статор, а он по определению неподвижен. Пусковая обмотка подключается через пусковой конденсатор только для старта и после этого должна быть отключена вручную или автоматически.
Способы подключения
Табличка разбираемого электродвигателя Клеммная колодка Чтобы сделать это, обеспечивают доступ к обмотке двигателя, сняв крышку и, возможно, удалив ротор. Три фазы подключаются к противоположным концам обмоток. В ней может быть описано к чему относятся провода разных цветов.
Этот способ применим для двигателей, у которых обмотка статора при нормальной работе соединена треугольником. Как проверить схему подключения обмоток электродвигателя Начнем с плохого варианта выполнения монтажа статорных обмоток, когда их концы на заводе не обозначены, а сборка нуля для схемы звезды выполнена внутри корпуса и выведена одной общей жилой. По сети передаются сразу три синусоиды со сдвигом фаз на треть периода или на градусов относительно друг друга.
Определение начала и конца обмоток трехфазного электродвигателя (простой способ)