Скрутку лучше пропаять и замотать изолентой.

Осталось установить клавиши на проходной выключатель, после чего можно включить подачу электричества и проверить его работу.

Что делать тогда? Во-первых, чаще всего востребован только одинарный проходной выключатель.
1 способ подключения двухклавишного выключателя + схема

Переключение первого коммутатора этой схемы приводит к размыканию соединения с нижним проводником, и затем перекидной контакт уже соединен с верхним проводником.
![]()
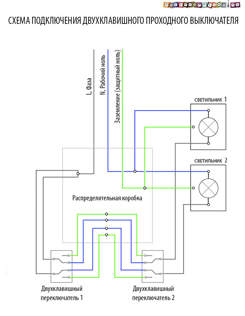
Правильная установка проходного устройства позволит ему функционировать по двум направлениям. Монтажная схема соединения двух переключателей с двумя раздельными светильниками Монтажная схема правильного подключения двухклавишного проходного выключателя с применением распредкоробки выглядит более внушительно.

В момент включения клавиши на выключателе контакты перебрасываются, цепь замыкается, свет загорается. Схема подключения двойного проходного выключателя осуществляется параллельным способом, чтобы при перегорании одного осветительного прибора остальные работали.

Эта тема требует отдельного рассмотрения как пользоваться мультиметром или другими приборами для прозвонки цепи.

Для тех же, у кого еще остались вопросы, мы подобрали информативный видеоролик.

Как подключить двухклавишный проходной выключатель
Схема управления с двух мест
Если есть автомат, через который запитывается освещение, выключаете его. Контакты, к которым надо подключаться находятся внизу. Инструкции Подключение двухклавишного переключателя света Для того чтобы правильно подключить двухклавишный переключатель света, давайте сперва рассмотрим схему его работы и разберемся в ней.

Благодаря такому решению путь в большом помещении или длинном коридоре всегда освещен на всем протяжении, что удобно и безопасно.

Схема соединения четырех проходных выключателей для управления одним светильником По этому же принципу можно построить схему управления освещением из 4-х и более местоположений. Они имеют разное количество клемм для присоединения проводов — либо 2, либо 4.

Этот способ опасен для здоровья, потому действуем очень осторожно.

Если же фаза не выделена цветом, то необходимо найти ее с помощью портативного индикатора фаз. Установку двойного проходного переключателя начинаем с подготовки проводов к подключению.
Для ясности можно поиграть: один человек пытается светильник включить, а другой — выключить.

Соответствующая схема подключения выглядит так: Инструкция по монтажу: Все выключатели монтируются на своих местах в утопленных коробках подрозетниках.
Двухклавишные проходные выключатели из 2-х мест. Схема подключения
Смотрите также: Выключатель luxar deco как подключить
Назначение и сфера применения
После этого нужно отыскать фазный провод и вход под него он, в отличие от выходов, один.
Проводник, присоединенный к ней, далее идет к первой лампе. Первая клавиша устанавливает контакт с одной из двух клемм. Чтобы не ошибиться с назначением проводов, на рисунке 6 показана стандартная цветовая раскладка.
Подсоединяем управляющие провода от вытяжки и светильника к выходам механизма коммутации, порядок подключения значения не имеет.
В этом случае токоведущие жилы греются, контакты перегорают. Возможность включать и выключать 2 различных светильника из четырех точек может пригодиться в длинном коридоре дома с большим количеством комнат. Как правило, они снабжены клеммной колодкой, если нет, то можно использовать двойные клеммы WAGO.

Проходной выключатель с двумя клавишами. Для её крепления используется спецальный пластиковый фиксатор, которы вставляется в пазы суппорт и надежно крепит декоративную рамку. Существует четыре возможные комбинации положения клавиш двух выключателей: в двух из них светильник включен, в двух других — выключен. На схеме с одноклавишными коммутаторами они соединены двумя проводами — кабелями.

Чтобы не запутаться при подключении всю маркировку нужно выполнять постепенно, начиная с прокладки первого кабеля: от одного контакта к другому. Потому дальше и будем говорить о сдвоенных с двумя кнопками выключателях.
Коробка потребуется большого размера, так как в ней должно уместиться восемь соединений проводов. Соответственно и подключение проводов выполняется аналогично, то есть если вы знаете как подключить одноклавишный проходной выключатель , вы с легкостью установите и такой. Фазу, которая выделена цветом, необходимо подключить к нижней клемме. После всех соединений, перед пайкой и изоляцией скрутки в распределительной коробке обязательно проверяем правильность выполненных соединений.
К такой работе можно отнести замену выключателей, бытовых розеток и патронов лампочек. Нельзя забывать, что самое главное при выполнении любых работ, связанных с электричеством — техника безопасности. К тому же, раньше их изготавливали из металла, а не из пластика.
Как подключить двухклавишный выключатель? Как установить в подрозетник?
Схема подключения двухклавишного выключателя
Мы постарались проинформировать наших читателей об основных нюансах проходных выключателей, которые должны быть полезны на практике. С появлением новых установочных элементов этот процесс становится намного проще.
Тут все равно на сколько они клавиш. Распределительная коробка устанавливается в центре маршрута размещенных светильников. В этом случае одна из клавиш включает свет в коридоре, а другая — на улице.
Если есть автомат, через который запитывается освещение, выключаете его. Это можно сделать при помощи в режиме прозвонки. Во избежание ошибок, перед тем как подключить проходной переключатель, рекомендуется сделать маркировку проводов и клемм.
Проверить, нормально ли закреплен провод можно пару раз его хорошо дернув. Общие правила присоединения Еще раз рассмотрим подключение двухклавишного коммутатора по схеме, приведенной выше. Процесс подключения пошагово Изучить расположение и предназначение контактов, иногда дополнительная информация об этом имеется на обратной стороне устройства.
Основные разновидности проходных выключателей По внешнему виду перекидные выключатели различаются по цвету и форме, а также они бывают: скрытой или открытой установки; с подсветкой или без нее; специальный знак на клавишах может присутствовать или отсутствовать. Об этом вы сможете узнать из данной статьи. Существует четыре возможные комбинации положения клавиш двух выключателей: в двух из них светильник включен, в двух других — выключен. Двойной прибор применяется с той же целью для управления освещением с использованием 2-х групп светильников.
Это следует приять к сведению, прежде чем подключить двухклавишный коммутатор. Техника безопасности — будьте внимательны Самостоятельное подключение двойного выключателя — дело несложное. На нижней части иллюстрации цепь замкнута, и свет включен. Можно, конечно, включить бра, а затем вновь вернуться ко входу и погасить общий свет. Куда подключать какой провод на правый или левый контакт — не важно.
Виды переключателей проходного типа
Для этого вам придется вновь включить сеть. У монтажной коробки есть отверстия для саморезов, которые фиксируют выключатель. Что надо помнить: Для проверки проще всего использовать отвертку-индикатор. Соединение двухклавишных проходных выключателей фирмы Legrand Первоочередным является присоединение фазного проводника к левой и правой клавишам разных коммутаторов линии красного цвета.
В нашем случае двойной проходной выключатель света совмещен в одном блоке с розеткой, поэтому у них общая двойная рамка. Итак, эти дополнительные провода идут от мини-индикаторов, расположенных на клавишах. Не забудьте поделиться с друзьями Это тоже полезно посмотреть:. Подключить выключатель, регулирующий свет двумя клавишами, несложно, если в точности соблюдать данные выше инструкции.
Схема подключения двойного выключателя