Первая попадает на третью обмотку, вторая — на вторую. Электронные реле выделяют тепло, чуть ниже я бегло расскажу о них.
		
		
			Отличается только сборка контактной группы — подключаются все три фазы. Вся разница в том, что использованы не две отдельные кнопки, а кнопочный пост или кнопочная станция.
			
			По этой причине их нельзя размещать в местах, подверженных нагреву.
			Как подключить магнитный пускатель. Схема подключения.
			
			Также есть исполнительная цепь, которым управляет реле.
			
			На его корпусе нанесены следующие надписи.
			
			Также обычно имеется клемма для подключения заземления. Наиболее часто используют схему, которая требует использования одного пускателя.
			
			Учтите, что силовые контакторы заставляют работать или останавливают только фазы, а нули, которые приходят и отходят, проводники с заземлением всегда объединяются на клеммнике в обход пускателя. В общем случае устройство магнитного пускателя выглядит так: Когда на катушку пускателя подаётся управляющее напряжение обычно контакты катушки обозначаются А1 и А2 , подвижная часть якоря притягивается к неподвижной и это приводит к замыканию силовых контактов.
			
			Перед контактором установлен автоматический выключатель QF1 для защиты от перегрузки.
			
			Схема подключения магнитного пускателя
Как подключить магнитный пускатель
			Других отличий, как в соединениях элементов схемы, так и в её работе в сравнении со схемой с фазным напряжением, нет. Контакты могут коммутировать как постоянный, так и переменный ток, величина тока и напряжения обычно указана на крышке реле. На якоре жестко закреплены подвижные контакты, напротив которых расположены соответствующие пары неподвижных контактов. Далее на реле указаны электрические параметры его контактов.
			
			Таким образом, получается, что при выключенном реле контакты замкнуты. Теперь проверяем работу теплового реле.
			
			Игловский, Г. При этой схеме большое значение имеет номинальное напряжение катушки.
			
			Чем отличаются контакторы и пускатели.
			
			Для большей наглядности условно отметим их питающие клеммы цифрами 1—3—5, а те, к которым подключен двигатель как 2—4—6. С этой целью, наиболее часто, используется специальная индикаторная отвертка.
			
			Рассматривать их надо отдельно — проще понять логику. Напряжение подключается к катушке, магнитное поле притягивает якорь, он замыкает или размыкает контакты.
			
			Естественно, это приведёт к скорому выходу из строя контактов реле. При использовании катушки в Вольт необходимо произвести подключение проводов красного или черного цветов.
			Контактор принцип работы и схема подключения
Устройство, обозначение и параметры реле
			Если у вас появились вопросы по теме статьи, пожалуйста, оставляйте свои комментарии в расположенном ниже блоке. К силовым контактам L1, L2, L3 можно при этом подавать любое напряжение, а снимать его можно будет при срабатывании пускателя с контактов T1, T2 и T3 соответственно.
			
			Чтобы не повторятся, и не нагромождать лишний текст, кратко изложу смысл. Проводник фазный прокладывают через стартовую и выключающую клавиши.
			
			Нижняя часть закреплена на корпусе и является неподвижной, верхняя подпружинена и может свободно двигаться. С его помощью включают и отключают питание.
			
			Для кручения в обратном направлении стоит только при помощи пускателя КМ2 поменять дислокацию каких-то двух питающих фаз Предпринятое действие разъединит цепь, на дроссель КМ1 перестанет подаваться управляющая фаза А, а сердечник с контактами, посредством возвратной пружины, восстановится в исходном положении. В первую очередь они отличаются степенью защиты. Важна только его величина — оно не должно превышать указанный производителем номинал.
			
			Рассмотрим схему с подключением катушки на вольт, если у Вас на Вольт тогда вместо синего ноля необходимо подключить другую разноименную фазу. Напряжение появляется на нижних силовых контактах 2Т1, 4Т2, 6Т3 и уже от них поступает на электродвигатель. Подключение пускателя с катушкой В к сети Собственно, вариантов подключения контакторов много, опишем несколько. При этом с каждой парой клемм связан соответствующий нагревающийся элемент.
			
			На этой схеме используется дополнительный нормально открытый контакт пускателя. Например, подавать питание на катушку можно через реле времени или датчик освещенности, а к контактам подключить линию питания уличного освещения. А может и 3-канальным, что позволит подключать 4 полюса к нагрузке например, три фазы В 4. Чем ниже сопротивление контактов, тем меньше теряется напряжения на них и меньше нагрев. При подключении пускателя надо будет присоединять нормально разомкнутый контакт и нормально замкнутый контакт.
Контакторы, в большинстве случаев, корпуса не имеют, потому должны устанавливаться в защитных корпусах или боксах, которые защитят от случайного прикосновения к токоведущим частям, а также от дождя и пыли. Если катушка рассчитана на срабатывание от В, то цепь управления коммутирует нейтраль. Чем отличаются контакторы и пускатели. А на практике эти два понятия обычно сливаются в одно.
			Коммутируемые контакты реле могут иметь своё конструктивное исполнение. На принципиальных схемах электромагнитное реле обозначается следующим образом. Это само электромагнитное реле K1, выключатель SA1 и батарея питания G1. Вместо вольтметра можно будет подключить двигатель, насос, освещение, любой прибор, который работает от сети В. Количество контактных групп.
			Магнитный пускатель. Схема подключения с кнопочной станцией
2. Как работает реле.
Можно провода перекинуть. В посте есть две группы контактов — по два на каждую кнопку: два на пуск, два на стоп, каждая группа со своей стороны.
Любая из них обладает парой входов и парой выходов. Кнопки могут быть в одном корпусе или в разных С отдельными кнопками все понятно — у них есть по два контакта.
Такое реле для управления использует постоянное напряжение от 3 до 32, а коммутирует переменное от 24 до В с током до 10 А. Контакты реле обозначаются этой же буквой, но с двумя цифрами, разделенными точкой: первая цифра указывает на порядковый номер реле, а вторая на порядковый номер контактной группы этого реле.
Температурная деформация элементов достигается применением биметаллических материалов. Если катушка на В, на нее подаются две любые фазы.
Схема подключения магнитного пускателя с катушкой на 380 В
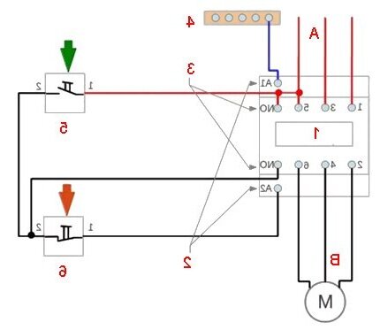
Реверсивная схема подключения трехфазного двигателя через магнитные пускатели Для повышения безопасности добавлено тепловое реле, через которое проходят две фазы, третья подается напрямую, так как защиты по двум более чем достаточно. Некоторые модели пускателей оснащены ограничителями перенапряжений, которые применяют в полупроводниковых управляющих системах.
На рисунках ниже показана работа нормально разомкнутого контакта. На корпусе теплового реле можно задать значение тока, превышение которого вызовет сработку реле и замыкание его контактов.
Поиск на сайте
Удержание контактора во включенном состоянии происходит по принципу самоподхвата — когда дополнительный контакт подключается параллельно пусковой кнопке, тем самым подавая напряжение на катушку, вследствие чего пропадает необходимость удерживать кнопку запуска в нажатом состоянии. На принципиальных схемах электромагнитное реле обозначается следующим образом. Источник питания подключают к контактам, находящимся ниже на корпусе.
			Также обратите внимание, что провод от кнопки включения вправо или влево подается не сразу на катушку, а через постоянно замкнутые контакты другого пускателя. Если номинал катушки на вольт — один вывод к одной из фаз, а второй, через цепь кнопок к другой фазе. Так выглядит в разобранном виде Есть еще один нюанс: контакты пускателя могут быть двух типов: нормально замкнутыми и нормально разомкнутыми.
			магнитный пускатель для чайников