Надо в инете схему фильтров твоих колонок взять и сравнить с тем что есть на самом деле. Добавление от
Например я такую лажу видел в 10МАС1М. Действительно, такие колонки могут звучать приличней, чем может выдать эта Вега и дороботка колонок даст свои результаты, а дальше

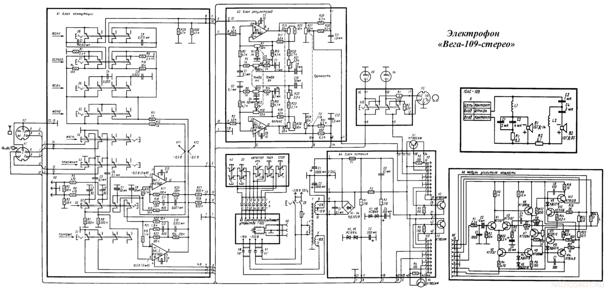
При очередном взгляде на схему в глаза бросилась распиновка разъема линейного входа именно на самом проигрывателе, и она в корне отличалась от той, что я нашел в интернете.
Ветераны дают бой! Вега-109 Стерео и раритетный винил

Максимум что хочу и по деньгам осилю так это уши зены е сменить на е или аналогичные да сабвуфер к музыкальному центру пьянокрафт прикупить.
![]()
С фото проигрывателя можно ознакомиться здесь , схема проигрывателя здесь. Емкость можно примерно определить по броску стрелки в режиме омметра.
![]()
Потренируйся сперва на зведомо исправных кондерах.
Провода и разъемчики — поменять конечно можно, только вот, скорее всего, получится, что стоимость разъемов превысит стоимость самой Веги.

Разжигать лампово-транзисторную рознь не хочу и не буду. Вот я и подумал, что он не рабочий.

Запись: Изгоняем сушняк в «Веге-109»
Другие материалы сайта
Retro, С картинками, расширенными описаниями и без рекламы.

Если кондер впаян, может не получиться. За сим откланиваюсь.

Я ее отпаивал, и слушал один НЧ.

Список небольшой: — В цепях блока коммутации и темброблока заменены ОУ КУД2 на КУД3 у него заявлена меньшая шумность, и это похоже на правду, судя по звуку — фоновых шумов поубавилось, хотя это все очень субъективно, последний раз я винил на этом проигрывателе слышал как раз те самые 10 лет назад : — Заменена лампа корректора скорости ЭПУ на светодиод с последовательно включенным 1к-сопротивлением- греется меньше и служит дольше: — Вместо советских разбитых разъемов для подключения акустики были установлены тюльпаны: — Заменена игла ЭПУ на Numark Groove Tool , так как картридж для умершей родной MF найти малореально. Профилактика старости.

Взгляд вновь упал на проигрыватель, и я решил все же довести дело до конца и привести его в порядок.

А проигрыватель был заброшен, и последние лет 10 просто стоял и пылился в стойке под телевизором.

Вот я и подумал, что он не рабочий.
Вега-109 проигрыватель виниловых пластинок (электрофон)
Join the conversation
Какой предел ставить, зависит от емкости. Если и есть какой-то битый, то уж явно не все.

Я получил свой усиль для просмотра боевиков с взрывающимися вертолетами, я доволен. Может пищалка вообще того
С фото проигрывателя можно ознакомиться здесь , схема проигрывателя здесь.

Следует оговориться, что тестировал каналы я внешней нагрузкой, так как ткнуть джек в телефон всяко проще, чем завести пластинку, тем более на разобранном проигрывателе. Кондеры в этой Веге слышно. Надо в инете схему фильтров твоих колонок взять и сравнить с тем что есть на самом деле.
![]()
Я ее отпаивал, и слушал один НЧ. И имеет ли смысл заменить кабель идуший к компу от веги и от веги к её колонкам на более качественный? Я вот тут разбирал Вегу на днях. Лучше найди и скачай схемку на Вегу и все встанет на свои места.

И вот на днях, при просмотре очередного боевика с взрывающимися вертолетами, я понял, что смотреть подобное кино на встроенных в плазму пищалках — то еще неудовольствие. Если просто сам процесс завораживает, то Вега вполне сгодится.
А кабель джек 3,5-DIN5 был спаян мной. Я вот тут разбирал Вегу на днях.
СтОит заменить электролиты — хуже точно не будет. С картинками, расширенными описаниями и без рекламы. В прошлом году мне понадобился усилитель НЧ, и я решил использовать данный проигрыватель в этом качестве, но у него отказался работать один канал что, кстати, было моим косяком, а не косяком проигрывателя, но об этом — ниже , и я забросил идею его использования, так как знаний и опыта в ремонте подобной техники было маловато.
Электрофон Вега 109 А что внутри
Информация
Других аппаратов у мня нет , а вегу выбрасывать неохота вот и хочется подорабатывать хоть как то хоть косметически и что это за классический усь?
Максимум что хочу и по деньгам осилю так это уши зены е сменить на е или аналогичные да сабвуфер к музыкальному центру пьянокрафт прикупить. Можно ли что то реальное из него выжать?
Если советы будут ,то для удобства их давания могу предоставить фотографии есть цифровой фотик. Заменить провода: до УМ на экранированный, после на медный 2. Retro,
Тебе решать, но я бы не стал. Список небольшой: — В цепях блока коммутации и темброблока заменены ОУ КУД2 на КУД3 у него заявлена меньшая шумность, и это похоже на правду, судя по звуку — фоновых шумов поубавилось, хотя это все очень субъективно, последний раз я винил на этом проигрывателе слышал как раз те самые 10 лет назад : — Заменена лампа корректора скорости ЭПУ на светодиод с последовательно включенным 1к-сопротивлением- греется меньше и служит дольше: — Вместо советских разбитых разъемов для подключения акустики были установлены тюльпаны: — Заменена игла ЭПУ на Numark Groove Tool , так как картридж для умершей родной MF найти малореально. Причем не сильно тихо. Unnamed Play3r,
File history
Да и имеет ли смысл покупать ещё одну такую же вегу у знакомых? Можно, только это уже совсем другой аппарат получится, так как список того, что там улучшить нельзя будет гораздо короче.
Для меня также было в новинку существование неполярных конденсаторов большой емкости — в схеме их встретилось по 2 штуки в темброблоке и блоке коммутации. Заменить провода: до УМ на экранированный, после на медный 2. Если кондер впаян, может не получиться. Да и имеет ли смысл покупать ещё одну такую же вегу у знакомых? За сим откланиваюсь.
Похожие схемы
Я в них не очень разбираюсь. Я вот думаю попробовать ее доработать немного: 1. Провода и разъемчики — поменять конечно можно, только вот, скорее всего, получится, что стоимость разъемов превысит стоимость самой Веги. Кондеры в этой Веге слышно. Если советы будут ,то для удобства их давания могу предоставить фотографии есть цифровой фотик.
Заменить их особо нечем, если только на МБГЧ. При очередном взгляде на схему в глаза бросилась распиновка разъема линейного входа именно на самом проигрывателе, и она в корне отличалась от той, что я нашел в интернете. Других аппаратов у мня нет , а вегу выбрасывать неохота вот и хочется подорабатывать хоть как то хоть косметически и что это за классический усь?
Вега -109 электрофон (проигрыватель виниловых пластинок) из СССР