Проводник защитного заземления соединяется с шиной РЕ, от которой осуществляется разводка по помещениям. Это тем более важно, что при применении плавких предохранителей для экономии средств и сокращения габаритов ВРУ, коммутационные аппараты в них не устанавливают, что является серьезным недостатком таких вводно-распределительных устройств.

На принципиальных электрических схемах , все устройства, монтируемые в щит, обозначаются условными знаками и подписываются определенными буквами.

Как упоминалось выше, для крупных протяженных зданий число вводов может быть увеличено. Номинал этого дифференциального автомата должен быть 50 А, номинал по току утечки — 30 мА, его время отключения при коротком замыкании должно быть меньше времени отключения вводных автоматов.
Автоматическая прорисовка однолинейной схемы

Система разделена на девять групп потребителей, защищенных автоматами.

Как показывают расчеты, в большинстве случаев снижение напряжения при включении лифтов превышает допустимое по ГОСТ. Последняя линия, состоящая из одного УЗО и двух автоматических выключателей, предназначена для защиты цепей отдельно стоящего помещения.

На рис.

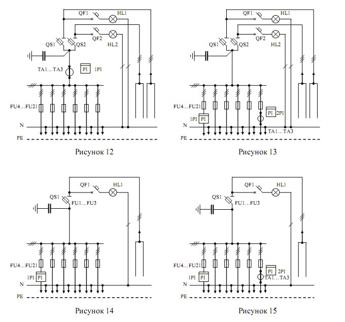
Схема квартирного распределительного щита, оснащенного наряду с другими защитными устройствами реле напряжения. Это круглый гибкий кабель с двойной изоляцией и многопроволочными токопроводящими жилами, который не рекомендуется для скрытой проводки.

Кабели, показанные штриховыми линиями, предназначены для питания смежных зданий при магистральной схеме электроснабжения.

Как читать электрические схемы. Урок №6
Вводно-распределительное устройство (ВРУ) это
Медная шина N предназначена для подсоединения нулевых рабочих проводников сети дома В вводном-распределительном устройстве ВРУ шины PE и N соединяются между собой, но по определенным правилам. Проводник защитного заземления соединяется с шиной РЕ, от которой осуществляется разводка по помещениям. Шину N нужно закреплять на корпусе ВРУ через диэлектрические не проводящие ток изоляторы.
Первый ввод: 1 линии питания квартир, 2 питающие и групповые линии освещения общедомовых помещений лестницы, коридоры, вестибюли, холлы, технические подполья, чердаки , освещение входов в дом, номерного фонаря и т. Учетность щита определяется установкой в него электросчетчика.

Схема ввода зависит от схемы наружных питающих линий, этажности здания и требований к надежности, наличия лифтов и других силовых электроприемников, наличия встроенных предприятий и учреждений, величин электрических нагрузок.
Характерной особенностью построения схемы ВРУ дома является раздельное питание нагрузок квартир и рабочего освещения общедомовых помещений от одного ввода и силовых потребителей от другого. Если разделить в другом месте, в доме или в щитах на этаже или квартире, то получим систему TN-C-S; Х1…..

В отдельных случаях, когда это целесообразно по условиям распределения нагрузок на вводах, может быть допущено питание осветительных установок арендаторов от силового ввода, однако возможность их присоединения проверяется расчетом.

Вводной автомат защиты предназначен для защиты электропроводки дома от перегрузки и сверхвысоких токов короткого замыкания, а также преднамеренного отключения питания для технического обслуживания сети дома.

Фазные провода через главный трехфазный автоматический выключатель приходят к счетчику.
Пример расчёта схемы ВРУ
Войти на сайт
Учетность щита определяется установкой в него электросчетчика.

Схема распределительного щита может быть выполнена с использованием условных обозначений, принятых правилами ПУЭ.

Отдельно выделены группы для пристройки и бани. На рис. Характерной особенностью построения схемы ВРУ дома является раздельное питание нагрузок квартир и рабочего освещения общедомовых помещений от одного ввода и силовых потребителей от другого.

Схема 3 Принципиальная электрическая схема щита учетно-распределительного, ЩУР. По сложившейся практике на ВРУ жилых зданий измерительные приборы не устанавливают. В соответствии с изложенным выше группировка отходящих линий по вводам, обычно осуществляется следующим образом.

Чертежи из комплекта поставки. Медная шина N предназначена для подсоединения нулевых рабочих проводников сети дома В вводном-распределительном устройстве ВРУ шины PE и N соединяются между собой, но по определенным правилам.
Типы аппаратов, устанавливаемых в изделиях серий ВРУ1

Схема ввода зависит от схемы наружных питающих линий, этажности здания и требований к надежности, наличия лифтов и других силовых электроприемников, наличия встроенных предприятий и учреждений, величин электрических нагрузок. Однако, их установка целесообразна, так как защитный аппарат на вводе страхует защиту на отходящих от ВРУ линиях несрабатывание которых приводит к отключению на подстанции и, следовательно, к вызову аварийной службы энергосистемы , а токоограничивающие предохранители на вводах дают возможность применять на отходящих линиях облегченную аппаратуру. В щите запланированы три автомата защиты, на три группы. Измерительные приборы три амперметра с трансформатора ми тока и один вольтметр с переключателем должны устанавливаться на каждом вводе. Схем больше дюжины.
Для зданий выше 16 этажей применяется схема рис. Условные графические обозначения в электрических схемах не определены каким-либо единым документом. Вам также могут быть интересны следующие ремонтные статьи:.
Читайте о коэффициенте спроса подробно. Типичные схемы вводов. Измерения и учет Учет активной электроэнергии, расходуемой общедомовыми потребителями, осуществляется трехфазными счетчиками прямого включения до 50 А или через трансформаторы тока, которые устанавливаются на ответвлениях к соответствующим секциям шин ВРУ. Провод от разрядника ограничителя напряжения.
Однолинейная схема электроснабжения дома.
Принципиальные электрические схемы щитов распределительных и освещения с комментариями
При импульсных перегрузках разрядники срабатывают.
PEN — шина подключения нулевого и защитного проводника.
Это тем более важно, что при применении плавких предохранителей для экономии средств и сокращения габаритов ВРУ, коммутационные аппараты в них не устанавливают, что является серьезным недостатком таких вводно-распределительных устройств. Сечение перемычек должно быть не меньше сечения защитных PE проводов. При этом важно иметь амперметры во всех трех фазах для фиксации асимметрии нагрузок и принятия мер по ее возможному выравниванию.
На такой схеме указываются типы и характеристики защитных устройств, а также установка их на конкретные группы. В ней указаны номиналы всех автоматов защиты и сечений электрических кабелей. Разделительный пункт находится в эксплуатации энергоснабжающей организации и служит границей эксплуатационной принадлежности сетей энергоснабжающей организации и жилищно-эксплуатационных контор. Далее электропитание поступает на счетчик учета электроэнергии, а затем распределяется по группам.
Вход в личный кабинет
Условные графические обозначения в электрических схемах не определены каким-либо единым документом. В отдельных случаях, когда это целесообразно по условиям распределения нагрузок на вводах, может быть допущено питание осветительных установок арендаторов от силового ввода, однако возможность их присоединения проверяется расчетом. Установка аппаратов защиты При радиальной схеме питания кабель питает один дом ПУЭ разрешают не устанавливать на вводе аппараты защиты. При этом важно иметь амперметры во всех трех фазах для фиксации асимметрии нагрузок и принятия мер по ее возможному выравниванию.
Установка аппаратов защиты При радиальной схеме питания кабель питает один дом ПУЭ разрешают не устанавливать на вводе аппараты защиты. Шины крепятся внутри ВРУ рядом друг с другом. Как показывают расчеты, в большинстве случаев снижение напряжения при включении лифтов превышает допустимое по ГОСТ.
Вводно-распределительное устройство в частном доме
Принципиально здесь другое. При этом важно иметь амперметры во всех трех фазах для фиксации асимметрии нагрузок и принятия мер по ее возможному выравниванию. Она не предусматривает установку счетчика энергии. Шину N нужно закреплять на корпусе ВРУ через диэлектрические не проводящие ток изоляторы. Характерной особенностью построения схемы ВРУ дома является раздельное питание нагрузок квартир и рабочего освещения общедомовых помещений от одного ввода и силовых потребителей от другого.
Система разделена на девять групп потребителей, защищенных автоматами. Для возможности замены счетчика без снятия напряжения с ВРУ перед счетчиком на ВРУ устанавливается отключающий аппарат.
Как подключить магнитный пускатель. Схема подключения.