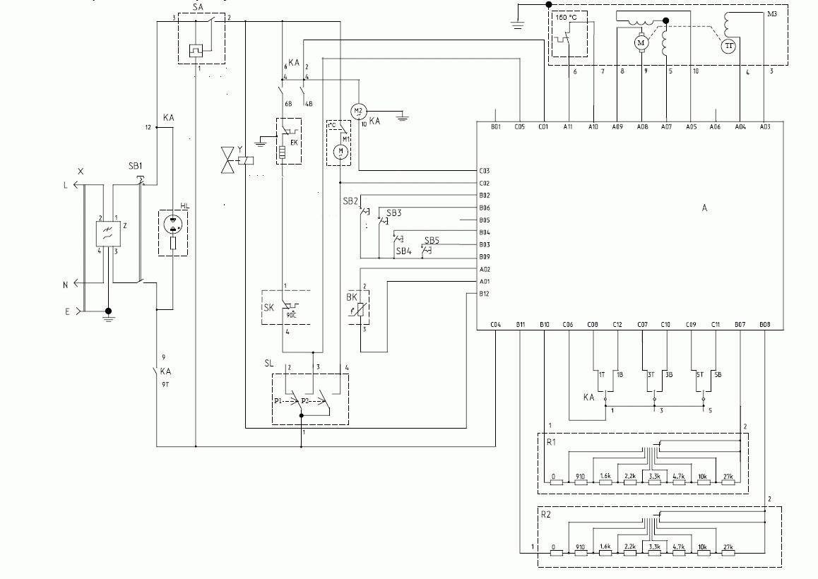
Микропроцессорный электронный управляющий модуль программатор Управляющий модуль По конструкции — самый сложный и дорогостоящий элемент конструкции. В кнопке контакт «SB» строго должен быть не фиксируемым, можно попросту воспользоваться кнопкой от дверного звонка, в противном случае пусковая обмотка может сгореть.

Внутренняя поверхность качественного барабана должна быть идеально ровной, не иметь никаких выступающих частей, способных в процессе стирки зацепить белье. Напрямую к валу барабана подсоединен шкив — специальное фрикционное колесо с ободом или канавкой, передающее движение приводному ремню.

Каково устройство электронного агрегата? Есть заливной патрубок, который подает воду в бак из водопроводной системы.
ремонт и диагностика модуля стиральных машин Индезит, Аристон (плата Аркадия)

Для определения можно воспользоваться омметром, рабочая обмотка имеет меньшее сопротивление, чем пусковая.

Как видите, конструкция стиральной машины довольно сложная и предполагает массу деталей и компонентов.

Как видите, конструкция стиральной машины довольно сложная и предполагает массу деталей и компонентов.

Если машинка вообще не подает признаков жизни, скорее всего, проблема кроется именно в неисправности электронного модуля управления, вышедшего из строя из-за скачков напряжения.
Мощность таких двигателей, как правило не меньше Вт, а порой и куда больше, скорость оборотов вала может доходить и до 11 оборотов в минуту что вполне может подойти для использование такого двигателя в хозяйственных или мелких промышленных нуждах. Мы специально разместили элементы конструкции в таком порядке, в каком они появлялись по мере развития и совершенствования в схеме стиральной машины.

Как чудит прессостат в стиральной машине
Подсоединение
Подобный двигатель используется, в частности, в приводе стиральной машины. Клапаны включаются и выключается по команде блока управления. Нужно будет найти подходящее место и закрепить устройство. Электрическая схема стиральной машины еще проще.

Он имеет только бороздки для приводного ремня. Вполне подойдет такой двигатель и для небольшой бетономешалки.

Напрямую к валу барабана подсоединен шкив — специальное фрикционное колесо с ободом или канавкой, передающее движение приводному ремню. Двигатель старого типа имеет обычно 5 проводов черного, синего, белого, красного и зеленого цвета.

Высокая скорость вращения, плавное изменение оборотов изменением прилагаемого напряжения, небольшие размеры и большой пусковой момент — вот лишь небольшая часть преимуществ такого типа двигателей.
Замок загрузочного люка.

Дальше следует выяснить, где у нас пусковая, а где — рабочая обмотки.

Для облегчения работы можно использовать простейший генератор импульсов и осциллограф.
Стиральная машина не отжимает не выходит на отжим зависает!Ошибка UE
Смотрите также: Энергетический паспорт здания кто делает
Вызвать мастера на дом
Свой мотор я запустил без проблем, повешал его на дробилку, но пока не доделал её до конца, ищу эффективные конструкции.

За эту функцию отвечают термозамки на основе биметаллической пластины, чей нагрев приводит к замыканию контактов.

Он имеет только бороздки для приводного ремня. Прибор представляет собой металлическую трубку, которая устанавливается в корпусе нагревателя. Эта схема работает во время отжима.

Мощность будет небольшая, но вполне достаточная для личных целей. Тип загрузки определяет расположение люка — горизонтальное или вертикальное. Внутреннее строение стиральной машины Перед тем, как взяться за ремонт, ознакомьтесь с принципом устройства современной стиральной машины. Однако принцип подключения к сети мало чем отличается, как и модели других марок, техника Самсунг не защищена от скачков напряжения, несмотря на то, что в комплектации присутствует конденсатор.

Забиваются фильтр, шланг, патрубок и сама помпа. Наличие или отсутствие особо удобных режимов стирки оказывает ощутимое влияние на цену агрегата.

Довольно часто так применяют, потому что удобно для этих целей использовать бак стиралки. Стальная рама служит для крепления внутри агрегата всех остальных элементов конструкции, а обшивка защищает агрегат от проникновения пули, грязи, влаги и для защиты пользователя от поражения электрическим током или движущимися частями машины. Он выполняет работу, измеряя давление в баке. С подчиненными деталями модуль блока управления соединяют провода. Таким образом, можно проверить его исправность или же использовать в различных устройствах.
Функции машинки реализуются в следующей последовательности: Стирка начинается с блокировки двери и набора воды. Двигатель барабана Представляет из себя стандартный электрический двигатель. Система управления Все современные автоматические стиральные машины оснащены неким подобием компьютера, который обрабатывает информацию с датчиков, управляет подачей, сливом воды, переключает программы очистки. Имеют электромагнитное устройство.
Любую деталь можно диагностировать, и заменить с помощью паяльника. Проверьте место подключения слива к канализации, возможно ее давно пора прочистить. Скорость, направление вращения задаются системой управления с учетом показателей датчика скорости. Электронные модули первого поколения применялись с командоаппаратом и использовались в основном для управления приводным мотором, они также осуществляют и другие менее важные задачи.
Принцип работы стиральной машины МСТ О 25Э, аналоговая схема
Неисправности и ремонт стиральных машин своими руками
Лоток-дозатор Лоток делится на несколько частей обычно три. Коллекторный тип двигателя современные, стиралки автомат с вертикальной загрузкой Как правило это коллекторные двигатели без пусковой обмотки, которые не нуждаются и в пусковом конденсаторе, такие двигатели работают и от постоянного тока и от переменного.
Но вначале позвольте выложить немного скучной теории, которую можно и пропустить перейдя ко второй, практической, части статьи. Нужно определить все контакты в колодке.
Электронный блок дает команду деталям, после чего они начинают работать. Система управления Все современные автоматические стиральные машины оснащены неким подобием компьютера, который обрабатывает информацию с датчиков, управляет подачей, сливом воды, переключает программы очистки. Управляющий блок, в свою очередь, подает команду входному клапану о прекращении забора воды.
Электродвигатель Основной исполнительный орган машины — электрический мотор, который приводит в действие барабан. Демпфер прикрепляется к нижней части бака и к корпусу стиралки. Из чего состоит помпа?
Читайте также: Измерение сопротивления петли фаза нуль методика
Архивы статей
Свой мотор я запустил без проблем, повешал его на дробилку, но пока не доделал её до конца, ищу эффективные конструкции. Дело в том, что в стиральной машине скорость регулируется с помощью тахометрического генератора. Главный блок отключает нагреватель, когда температура воды поднимается до нужного уровня. Затем запускается режим полоскания.
Имеют электромагнитное устройство. При запуске программы слышится щелчок, который говорит о блокировке люка. Внутреннее строение стиральной машины Перед тем, как взяться за ремонт, ознакомьтесь с принципом устройства современной стиральной машины. Первые две разновидности двигателя соединяются с барабаном посредством приводных ремней. Вибростол для производства декоративной плитки, тротуарной плитки или других бетонных изделий где необходимо уплотнение раствора и удаление от туда воздушных пузырей.
Обработать вал на станке, чтобы появилась возможность установить диск и укрепить его, например, шайбой. Если омметра нет, то будем определять «методом тыка».
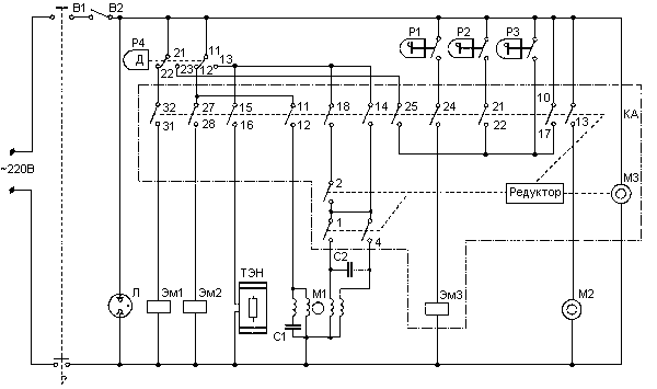
Внутреннее устройство автоматической стиральной машины состоит из деталей и узлов, которые отвечают за ту или иную функцию. Особенности строения моделей Самсунг Техника Самсунг давно зарекомендовала себя на рынке и стиральные машинки этой марки занимают не последние места по популярности. После включения питания и выбора режима, запускается таймер. Разобраться в них самостоятельно — задача крайне сложная. На схеме много проводов, переключателей и прочих деталей.
Как подключить мотор стиральной машины к 220в. Схема+пояснение